Liebe E9 Freunde,
ich habe Fragen zu den hinteren Seitenscheiben:
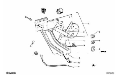
Die hinteren Seitenscheiben sind elektrisch zu öffnen. Die Beifahrerseite liegt nicht an der Türscheibe an, sondern hat a) oben 1-2cm Spalt und b) hinten 2cm horizontales Spiel (lässt sich nach innen und außen bewegen). Die Reparaturhandbücher (E3-E9 Band 1 und Band 2) beschreiben nur die hinteren Türen die es beim E9 nicht gibt), das Coupe wird nicht beschreiben. Hinzu kommt, dass es sich um ein Cabrio Umbau handelt und ggf. nicht die Originalscheiben und Betätigungen sein könnten. Die Mechanik kommt diesem Bild gleich, leider fehlt darauf die Halterung die die Seitenscheibe befestigt,
Frage lassen sich beim Coupe die Seitenscheiben hinten einstellen? wenn ja wie? / welche Schraube hat welche Auswirkung?
Es wäre prima wenn ich dazu eine Zeichnung hätte.
Liebe Grüße Christian
hintere Seitenscheiben einstellen
hintere Seitenscheiben einstellen
Hallo Christian,
wenn Du hinten oben horizontales Spiel hast dann überprüfe erstmal die Versteller, in der Zeichnung Position 8 und 10.
Das sind Käfigmuttern in Langlöchern, hiermit stellst Du genau die von Die angesprochenen Positionion ein. Vielleicht sind sie lose.
Am "Schinkenblech" gibt es auch noch zwei Einstellschrauben, hiermit kannst Du die seitliche Position Richtung "innen / aussen" verstellen.
Die obere und untere Position wird über die Gummistopper begrenzt.
Gruß
Thomas
wenn Du hinten oben horizontales Spiel hast dann überprüfe erstmal die Versteller, in der Zeichnung Position 8 und 10.
Das sind Käfigmuttern in Langlöchern, hiermit stellst Du genau die von Die angesprochenen Positionion ein. Vielleicht sind sie lose.
Am "Schinkenblech" gibt es auch noch zwei Einstellschrauben, hiermit kannst Du die seitliche Position Richtung "innen / aussen" verstellen.
Die obere und untere Position wird über die Gummistopper begrenzt.
Gruß
Thomas