unrunder unruhiger Warmlauf M30B35 L-Jetronic
unrunder unruhiger Warmlauf M30B35 L-Jetronic
Hallo, ich fasse mein Warmlaufproblem hier nochmal zusammen:
Motor M30B35 --> M535i (635CSI) 218PS ohne KAT / L-Jetronic
(seit ca. 1980 in E9 eingebaut, den Wagen habe ich seit 2013, nahezu sorgenfrei)
Der Motor springt immer gut an, egal ob kalt oder warm.
Der Motor läuft sehr gut, wenn er warm ist: Leerlauf stabil, Gasanahme top, Konstant-Drehzahlfahrt in allen Bereichen gut, Ausdrudeln und Schubabschaltung gut...
...alles, wie es sein soll.
(Verbrauch zwischen 14 - 19 l, je nachdem, was man so fährt.)
Problem --> Warmlauf ist in 2023 katastrophal geworden. (Ggf. war das früher schon minimal vorhanden, ist mir aber nicht in Erinnerung.)
Motor startet, Drehzahl zappelt zwischen ca. 500 und ca. 1200, es laufen nicht alle Zylinder, es riecht am Auspuff entsprechend extrem nach Sprit. Der Motor geht auch bisweilen aus. Bzw. kann man ihn gar nicht so warmlaufen lassen. Warmlauf geht eigentlich nur mit Gasgeben, um das Ausgehen zu verhindern. Er läuft dabei komplett unrund und zappelig.
Was habe ich bereits getan:
1. Zusatzluftschieber (auf Ventildeckel mit Bimetall-Heizung) ausgebaut
--> der verstellt auf jeden Fall (Eisfach = "auf" und Fön = "zu"
ob der auf-zu-Verstellbereich noch richtig ist, weiß ich nicht
--> Zusatzluftschieber mit Schlauch gebrückt
a. Schlauch komplett offen,
b. 50% offen und
c. ganz zu gequetscht
Alle drei Zustände bringen keine signifikante Verbesserung
2. Kaltstartventil
--> rausgeschraubt, spritzt vollkommen normal ein (schließt auch und tropft nicht nach)
--> damit scheidet der Thermozeitschalter (der hat auch seine 25-40 Ohm zwischen den PINs bei 15°C) und das Relais hierzu auch zur weiteren Fehlersuche aus (beides geht ja offensichtlich)
3. Wasser-Temperaturfühler
--> der hat bei 15°C passend zu https://jetronic.org/de/d-jetronic/fehlersuche ca. 3 kOhm angezeigt, sollte i.O. sein
(ich bekomme in ein paar Tagen einen neuen Fühler, den werde ich bei 3, 4 Temperaturen durchmessen und dann einbauen (Verzweiflungstat ;-) )
4. Kraftstoffdruckregler (2,5 bar / ohne Stellschraube, mit Unterdruckschlauch zur Ansaugbrücke (Schlauch ist i.O.)
--> ich kenne die BMW Reparaturanleitung 258/259 (E9) 820/821/822 (E12&28), sowie die gelben BOSCH Hefte (K-Jet, L-Jet, Motronic)
in der Reparaturanleitung E12&28 wird ein Fehlerbaum dargestellt, der u.a. zwischen falschem Kraftstoffdruck für kalten Motor und für warmen unterscheidet
--> der Kraftstoffdruckregler kennt den Betriebszustand des Motors doch gar nicht? Er regelt den Kraftstoffdruck auf 2,5 bar!(?)
--> Kraftstoffdruckregler habe ich ausgebaut und mit Lufthandpumpe überprüft, er öffnet sauber bei 2,5 bar (Überdruck)
ich habe dennoch einen einstellbaren Kraftstoffdruckregler mit Manometer eingebaut und versucht, über verschiedene Drücke eine Verbesserung zu erzielen, ohne Erfolg...
...originaler Kraftstoffdruckregler wieder eingebaut
5. Drosselklappenschalter klickt normal zwischen Null und leichter Gasbetätigung
6. Unterdruckschläuche zur Druckdose am Zündverteiler beide i.O.
7. Luftmassenmesser sieht i.O. aus
--> Überprüfung der Potiwerte habe ich noch nicht gemacht, da der LMM bei warmen Motor ja offensichtlich richtig arbeitet, wie auch der Drosselklappenschalter, die Druckdose und die Zündung selbst auch...
--> ob der Lufttemperaturfühler im LMM i.O. ist, weiß ich nicht
Wie kann man das prüfen? PIN-Belegung für die Widerstandsmessung?
---
Ich bin mit meinem Latein am Ende :-(
Ich bin mir sicher, dass es letztlich nur etwas winziges sein wird, ich finde es aber nicht und verstehe es derzeit auch nicht.
Fragen:
8. als ich den einstellbaren Kraftstoffdruckregler ausprobiert habe, ist mir aufgefallen, dass der Kraftstoffdruck nach Ausschalten des Motors relativ schnell auf 0 absinkt.
--> Das sollte doch nicht sein, da die Kraftstoffpumpe ein Rückschlagventil hat?
...aus Verzweiflung würde ich mir eine neue Kraftstoffpumpe zulegen (ist ja generell kein Fehler), aber das kann es ja nicht sein? ...denn warm ist alle i.O.!
aus 8. --> 9.
habe ich ein offen-hängendes Einspritzventil?
--> das würde den rumpeligen Warmlauf erklären, da ein Zylinder permanent absäuft / zu fett ist
--> dann sollte doch aber mein warmer Motor nicht so tadellos sein?
10.
ich lese von Falschluft über Kurbelgehäuseentlüftung (kommend von undichten Simmerringen) sowie Ölverschlussdeckel oder Ölmessstabeinführung
--> ist da wirklich was dran?
was ich als nächstes mache:
- Luft-Temperaturfühler messen
- Zusatzluftschieber nochmal ausbauen, reinigen
- Einspritzventile ausbauen und überprüfen
Was habt Ihr für Ideen?
Danke für´s Lesen und helfen!
Grüße - Christof aus Nagold
Motor M30B35 --> M535i (635CSI) 218PS ohne KAT / L-Jetronic
(seit ca. 1980 in E9 eingebaut, den Wagen habe ich seit 2013, nahezu sorgenfrei)
Der Motor springt immer gut an, egal ob kalt oder warm.
Der Motor läuft sehr gut, wenn er warm ist: Leerlauf stabil, Gasanahme top, Konstant-Drehzahlfahrt in allen Bereichen gut, Ausdrudeln und Schubabschaltung gut...
...alles, wie es sein soll.
(Verbrauch zwischen 14 - 19 l, je nachdem, was man so fährt.)
Problem --> Warmlauf ist in 2023 katastrophal geworden. (Ggf. war das früher schon minimal vorhanden, ist mir aber nicht in Erinnerung.)
Motor startet, Drehzahl zappelt zwischen ca. 500 und ca. 1200, es laufen nicht alle Zylinder, es riecht am Auspuff entsprechend extrem nach Sprit. Der Motor geht auch bisweilen aus. Bzw. kann man ihn gar nicht so warmlaufen lassen. Warmlauf geht eigentlich nur mit Gasgeben, um das Ausgehen zu verhindern. Er läuft dabei komplett unrund und zappelig.
Was habe ich bereits getan:
1. Zusatzluftschieber (auf Ventildeckel mit Bimetall-Heizung) ausgebaut
--> der verstellt auf jeden Fall (Eisfach = "auf" und Fön = "zu"
ob der auf-zu-Verstellbereich noch richtig ist, weiß ich nicht
--> Zusatzluftschieber mit Schlauch gebrückt
a. Schlauch komplett offen,
b. 50% offen und
c. ganz zu gequetscht
Alle drei Zustände bringen keine signifikante Verbesserung
2. Kaltstartventil
--> rausgeschraubt, spritzt vollkommen normal ein (schließt auch und tropft nicht nach)
--> damit scheidet der Thermozeitschalter (der hat auch seine 25-40 Ohm zwischen den PINs bei 15°C) und das Relais hierzu auch zur weiteren Fehlersuche aus (beides geht ja offensichtlich)
3. Wasser-Temperaturfühler
--> der hat bei 15°C passend zu https://jetronic.org/de/d-jetronic/fehlersuche ca. 3 kOhm angezeigt, sollte i.O. sein
(ich bekomme in ein paar Tagen einen neuen Fühler, den werde ich bei 3, 4 Temperaturen durchmessen und dann einbauen (Verzweiflungstat ;-) )
4. Kraftstoffdruckregler (2,5 bar / ohne Stellschraube, mit Unterdruckschlauch zur Ansaugbrücke (Schlauch ist i.O.)
--> ich kenne die BMW Reparaturanleitung 258/259 (E9) 820/821/822 (E12&28), sowie die gelben BOSCH Hefte (K-Jet, L-Jet, Motronic)
in der Reparaturanleitung E12&28 wird ein Fehlerbaum dargestellt, der u.a. zwischen falschem Kraftstoffdruck für kalten Motor und für warmen unterscheidet
--> der Kraftstoffdruckregler kennt den Betriebszustand des Motors doch gar nicht? Er regelt den Kraftstoffdruck auf 2,5 bar!(?)
--> Kraftstoffdruckregler habe ich ausgebaut und mit Lufthandpumpe überprüft, er öffnet sauber bei 2,5 bar (Überdruck)
ich habe dennoch einen einstellbaren Kraftstoffdruckregler mit Manometer eingebaut und versucht, über verschiedene Drücke eine Verbesserung zu erzielen, ohne Erfolg...
...originaler Kraftstoffdruckregler wieder eingebaut
5. Drosselklappenschalter klickt normal zwischen Null und leichter Gasbetätigung
6. Unterdruckschläuche zur Druckdose am Zündverteiler beide i.O.
7. Luftmassenmesser sieht i.O. aus
--> Überprüfung der Potiwerte habe ich noch nicht gemacht, da der LMM bei warmen Motor ja offensichtlich richtig arbeitet, wie auch der Drosselklappenschalter, die Druckdose und die Zündung selbst auch...
--> ob der Lufttemperaturfühler im LMM i.O. ist, weiß ich nicht
Wie kann man das prüfen? PIN-Belegung für die Widerstandsmessung?
---
Ich bin mit meinem Latein am Ende :-(
Ich bin mir sicher, dass es letztlich nur etwas winziges sein wird, ich finde es aber nicht und verstehe es derzeit auch nicht.
Fragen:
8. als ich den einstellbaren Kraftstoffdruckregler ausprobiert habe, ist mir aufgefallen, dass der Kraftstoffdruck nach Ausschalten des Motors relativ schnell auf 0 absinkt.
--> Das sollte doch nicht sein, da die Kraftstoffpumpe ein Rückschlagventil hat?
...aus Verzweiflung würde ich mir eine neue Kraftstoffpumpe zulegen (ist ja generell kein Fehler), aber das kann es ja nicht sein? ...denn warm ist alle i.O.!
aus 8. --> 9.
habe ich ein offen-hängendes Einspritzventil?
--> das würde den rumpeligen Warmlauf erklären, da ein Zylinder permanent absäuft / zu fett ist
--> dann sollte doch aber mein warmer Motor nicht so tadellos sein?
10.
ich lese von Falschluft über Kurbelgehäuseentlüftung (kommend von undichten Simmerringen) sowie Ölverschlussdeckel oder Ölmessstabeinführung
--> ist da wirklich was dran?
was ich als nächstes mache:
- Luft-Temperaturfühler messen
- Zusatzluftschieber nochmal ausbauen, reinigen
- Einspritzventile ausbauen und überprüfen
Was habt Ihr für Ideen?
Danke für´s Lesen und helfen!
Grüße - Christof aus Nagold
Re: unrunder unruhiger Warmlauf M30B35 L-Jetronic
Zwischenstand --> alles nacheinander getestet:
- neue Verteilerkappe --> kein Effekt
- neuer Verteilerfinger --> kein Effekt
(alter und neuer Verteilerfinger haben ca. 1 kOhm)
- zusätzliches Massekabel von Motor direkt an Batterie-Minus --> kein Effekt
- neue Zündkerzen --> kein Effekt
(5 der "alten" Zündkerzen lassen sich nicht "durchpiepsen", 1 schon, alle 6 neuen "piepsen".
- neue Zündkabel --> kein Effekt
(2 der "alten Kabel lassen sich nicht messen / 4 der alten Kabel lassen sich mit ca. 6 kOhm messen)
(alle 6 neuen Kabel lassen sich mit ca. 6 kOhm messen / Zündspulenkabel mit 2 kOhm)
-------------------------------------
alles wie gehabt: springt immer an, Warmlauf funktioniert nicht, läuft unrund und nicht auf allen Töpfen, ist nur mit Gasgeben am zittrigen Leben zu halten, riecht enorm nach Sprit am Auspuff :-(
------------------------------------
--> jetzt geht es wohl an die Einspritzventile --> Testen, ob eins oder zwei im kalten Zustand vielleicht nicht richtig schließen und diese Zylinder dann "absaufen"?
--> den Zusatzluftschieber habe ich noch nicht gesäubert oder erneuert, da der nicht für den unrunden Motorlauf (nicht alle Zylinder spielen stets mit) verantwortlich sein kann (?)! Mit Gasgeben kann man ja die Drehzahl quasi identisch erhöhen, wie es der Zusatzluftschieber macht und dabei läuft er dennoch unrund bis er warmgefahren ist.
- neue Verteilerkappe --> kein Effekt
- neuer Verteilerfinger --> kein Effekt
(alter und neuer Verteilerfinger haben ca. 1 kOhm)
- zusätzliches Massekabel von Motor direkt an Batterie-Minus --> kein Effekt
- neue Zündkerzen --> kein Effekt
(5 der "alten" Zündkerzen lassen sich nicht "durchpiepsen", 1 schon, alle 6 neuen "piepsen".
- neue Zündkabel --> kein Effekt
(2 der "alten Kabel lassen sich nicht messen / 4 der alten Kabel lassen sich mit ca. 6 kOhm messen)
(alle 6 neuen Kabel lassen sich mit ca. 6 kOhm messen / Zündspulenkabel mit 2 kOhm)
-------------------------------------
alles wie gehabt: springt immer an, Warmlauf funktioniert nicht, läuft unrund und nicht auf allen Töpfen, ist nur mit Gasgeben am zittrigen Leben zu halten, riecht enorm nach Sprit am Auspuff :-(
------------------------------------
--> jetzt geht es wohl an die Einspritzventile --> Testen, ob eins oder zwei im kalten Zustand vielleicht nicht richtig schließen und diese Zylinder dann "absaufen"?
--> den Zusatzluftschieber habe ich noch nicht gesäubert oder erneuert, da der nicht für den unrunden Motorlauf (nicht alle Zylinder spielen stets mit) verantwortlich sein kann (?)! Mit Gasgeben kann man ja die Drehzahl quasi identisch erhöhen, wie es der Zusatzluftschieber macht und dabei läuft er dennoch unrund bis er warmgefahren ist.
Re: unrunder unruhiger Warmlauf M30B35 L-Jetronic
Hallo Christof,
vielleicht noch ein paar Kommentare:
alles wie gehabt: springt immer an, Warmlauf funktioniert nicht, läuft unrund und nicht auf allen Töpfen, ist nur mit Gasgeben am zittrigen Leben zu halten, riecht enorm nach Sprit am Auspuff :-(
>> abhängig von vorhandenen Kraftstofffilmen in Brennräumen/Ansaug kann es sein, dass er in diesen kurzen Phasen nicht zu einem zündfähigen Gemisch kommt.
>> Würde den Zusatzluftschieber nicht ganz aussen vor lassen
Die Begutachtung der Einspritzventile ist sicher eine gute Sache und ich tippe auch in die Richtung.
Alternativ könntest Du auch während der Warmlaufphase die Kerzen ausbauen. Vielleicht ist die eine oder andere nass.
Falls es alle sind, ist das auch ein Hinweis.
Kaltstartventil: Typisch zerstäuben Ventile nicht mehr vernünftig oder lecken im Ruhezustand.
Passt für mich net recht zum Fehlerbild. Ausserdem müsste bei abgezogenem Ventil der Spritgeruch auf Normallevel (auch bei bescheidenen Leerlauf mit Pedalunterstützung)
Gutes, nach +50 Jahren renoviertes Zündgeschirr ist sicher immer eine gute Sache...
Viel Erfolg !
Grüsse; Willy
vielleicht noch ein paar Kommentare:
alles wie gehabt: springt immer an, Warmlauf funktioniert nicht, läuft unrund und nicht auf allen Töpfen, ist nur mit Gasgeben am zittrigen Leben zu halten, riecht enorm nach Sprit am Auspuff :-(
>> abhängig von vorhandenen Kraftstofffilmen in Brennräumen/Ansaug kann es sein, dass er in diesen kurzen Phasen nicht zu einem zündfähigen Gemisch kommt.
>> Würde den Zusatzluftschieber nicht ganz aussen vor lassen
Die Begutachtung der Einspritzventile ist sicher eine gute Sache und ich tippe auch in die Richtung.
Alternativ könntest Du auch während der Warmlaufphase die Kerzen ausbauen. Vielleicht ist die eine oder andere nass.
Falls es alle sind, ist das auch ein Hinweis.
Kaltstartventil: Typisch zerstäuben Ventile nicht mehr vernünftig oder lecken im Ruhezustand.
Passt für mich net recht zum Fehlerbild. Ausserdem müsste bei abgezogenem Ventil der Spritgeruch auf Normallevel (auch bei bescheidenen Leerlauf mit Pedalunterstützung)
Gutes, nach +50 Jahren renoviertes Zündgeschirr ist sicher immer eine gute Sache...
Viel Erfolg !
Grüsse; Willy
Re: unrunder unruhiger Warmlauf M30B35 L-Jetronic
Danke Willy!
Aus dem E24 Forum heute ebenfalls den Vorschlag bekommen, den Stecker vom Kaltstart-Einspritzventil zu ziehen und dann zu starten:
ausprobiert --> keine Verbesserung (was ich auch nicht erwartet habe, siehe Eingangspost --> Nr. 2).
Die Kerzen sind alle quasi nass:
gestern hatte ich ein, zwei kurze Kaltstarttest bzgl. Massekabel gemacht, bevor der Kerzentauschs dran war. Auch nach dem Wechsel der ersten und der ersten beiden Kerzen habe ich nochmals getestet. Die Kerzen sind alle nass. Und Neuen sind (nach Kaltstarttest) auch nass, was ich an 2 Stück nochmals nachgeschaut habe.
Aus dem E24 Forum heute ebenfalls den Vorschlag bekommen, den Stecker vom Kaltstart-Einspritzventil zu ziehen und dann zu starten:
ausprobiert --> keine Verbesserung (was ich auch nicht erwartet habe, siehe Eingangspost --> Nr. 2).
Die Kerzen sind alle quasi nass:
gestern hatte ich ein, zwei kurze Kaltstarttest bzgl. Massekabel gemacht, bevor der Kerzentauschs dran war. Auch nach dem Wechsel der ersten und der ersten beiden Kerzen habe ich nochmals getestet. Die Kerzen sind alle nass. Und Neuen sind (nach Kaltstarttest) auch nass, was ich an 2 Stück nochmals nachgeschaut habe.
Re: unrunder unruhiger Warmlauf M30B35 L-Jetronic
Hallo Christof,
ich habe genau das gleiche Problem, allerdings im E30 mit M20B25 Motor. Läuft sagenhaft wenn warm, aber miserabel wenn kalt und stinkt fürchterlich nach Sprit. Ich habe auch schon alles mögliche getauscht und probiert, allerdings ist der Motor auch verschlissen und verbrennt auch Öl. Ich vermute im kalten Zustand fehlt es bei mir einfach an Kompression.
Viele Grüße,
Hans
ich habe genau das gleiche Problem, allerdings im E30 mit M20B25 Motor. Läuft sagenhaft wenn warm, aber miserabel wenn kalt und stinkt fürchterlich nach Sprit. Ich habe auch schon alles mögliche getauscht und probiert, allerdings ist der Motor auch verschlissen und verbrennt auch Öl. Ich vermute im kalten Zustand fehlt es bei mir einfach an Kompression.
Viele Grüße,
Hans
Re: unrunder unruhiger Warmlauf M30B35 L-Jetronic
Hallo Hans,
für so 30 Euronen gibt es einfache Kompressionstester. Damit könntest Du die These untermauern.
Das Öl kann er über die Kolbenringe anziehen oder über die Ventilschaftdichtungen.
Die Schaftdichtungen sind zumindest bei den M10 eher die Schwäche.
Hallo Christof,
wenn man den Thesen folgt:
- alle Zylinder bekommen ein viel zu fettes Gemisch im Warmlauf, da alle Kerzen nass sind
- es kommt nicht über das Kaltstartanreicherungsventil (da nach Test ohne Einfluß)
dann
a) bekommt er zu wenig Luft
> Zusatzluftschieber tut nicht
> Zusatzluft über Drosselklappe löst das Problem im Test nicht / wohl eher nicht
b) alle Düsen sind malade oder inkontinent
> nur im Warmlauf ? alle gleich/ähnlich ?
c) das Steuergerät reichert sehr stark an, da es meint es sei sehr kalt
> die beiden Temp.-fühler
> eine Unterbrechung hin zum Steuergerät heisst "extrem kalt"
> Spannungen an den SG-Pins messen (oder bei abgezogenem SG den Widerstand nach Masse)
d) das Steuergerät reichert sehr stark an, da es einen (viel) höheren Ansaugluftverbrauch annimmt
> Luftmengenmesser / Drosselklappenschalter
> nur im Warmlauf ?
e) Druckniveau viel zu hoch
> nur im Warmlauf ?
Grüsse; Willy
für so 30 Euronen gibt es einfache Kompressionstester. Damit könntest Du die These untermauern.
Das Öl kann er über die Kolbenringe anziehen oder über die Ventilschaftdichtungen.
Die Schaftdichtungen sind zumindest bei den M10 eher die Schwäche.
Hallo Christof,
wenn man den Thesen folgt:
- alle Zylinder bekommen ein viel zu fettes Gemisch im Warmlauf, da alle Kerzen nass sind
- es kommt nicht über das Kaltstartanreicherungsventil (da nach Test ohne Einfluß)
dann
a) bekommt er zu wenig Luft
> Zusatzluftschieber tut nicht
> Zusatzluft über Drosselklappe löst das Problem im Test nicht / wohl eher nicht
b) alle Düsen sind malade oder inkontinent
> nur im Warmlauf ? alle gleich/ähnlich ?
c) das Steuergerät reichert sehr stark an, da es meint es sei sehr kalt
> die beiden Temp.-fühler
> eine Unterbrechung hin zum Steuergerät heisst "extrem kalt"
> Spannungen an den SG-Pins messen (oder bei abgezogenem SG den Widerstand nach Masse)
d) das Steuergerät reichert sehr stark an, da es einen (viel) höheren Ansaugluftverbrauch annimmt
> Luftmengenmesser / Drosselklappenschalter
> nur im Warmlauf ?
e) Druckniveau viel zu hoch
> nur im Warmlauf ?
Grüsse; Willy
Re: unrunder unruhiger Warmlauf M30B35 L-Jetronic
Danke Willy!
ist denn Folgendes denkbar:
Wassertemp.-Fühler-Leitung zu SG unterbrochen/defekt, daher SG --> "sau kalt" und zu viel Warmlaufanreicherung, was den unrunden Motorlauf auslöst. OK, verstanden!
Dann findet diese Warmlaufanreicherung immer/dauerhaft statt, auch wenn der Motor real warm ist, denn SG denkt dauerhaft --> "sau kalt" (hier sollte auch noch keine Zeitschaltung für das Ausschalten der Warmlaufanreicherung im SG hinterlegt sein(?)!).
Da die Warmlaufanreicherung nur eine "kleine" Zusatzmenge für low-load bei ca. 800-1200(1500) U/min darstellt, wirkt sie sich im normalen Kennfeld nicht so stark oder kaum aus. Reicht aber für ein Kerzenbild, das fettes Gemisch aufweist.
(...man kann den Fehler vermutlich sogar noch verschlimmverbessern, indem dem den CO-Wert im Leerlauf "richtig" einstellt (also falsch(!), da das SG permanent noch die Warmlaufanreicheurng dazupackt).
ich hoffe es geht in diese Richtung (Wassertemp.-Fühler-Leitung ), da die Reparatur simpel wäre und der Motor danach richtig eingestellt werden kann CO (im Leerlauf) und im Kennfeld weniger fett unterwegs ist.
ich werde berichten
ist denn Folgendes denkbar:
Wassertemp.-Fühler-Leitung zu SG unterbrochen/defekt, daher SG --> "sau kalt" und zu viel Warmlaufanreicherung, was den unrunden Motorlauf auslöst. OK, verstanden!
Dann findet diese Warmlaufanreicherung immer/dauerhaft statt, auch wenn der Motor real warm ist, denn SG denkt dauerhaft --> "sau kalt" (hier sollte auch noch keine Zeitschaltung für das Ausschalten der Warmlaufanreicherung im SG hinterlegt sein(?)!).
Da die Warmlaufanreicherung nur eine "kleine" Zusatzmenge für low-load bei ca. 800-1200(1500) U/min darstellt, wirkt sie sich im normalen Kennfeld nicht so stark oder kaum aus. Reicht aber für ein Kerzenbild, das fettes Gemisch aufweist.
(...man kann den Fehler vermutlich sogar noch verschlimmverbessern, indem dem den CO-Wert im Leerlauf "richtig" einstellt (also falsch(!), da das SG permanent noch die Warmlaufanreicheurng dazupackt).
ich hoffe es geht in diese Richtung (Wassertemp.-Fühler-Leitung ), da die Reparatur simpel wäre und der Motor danach richtig eingestellt werden kann CO (im Leerlauf) und im Kennfeld weniger fett unterwegs ist.
ich werde berichten
Re: unrunder unruhiger Warmlauf M30B35 L-Jetronic
Hallo Christof,
ja; Du hast recht. Er wäre dann wohl stets (auch warm) zu fett.
Ich tue mich bei mehreren der Ansätze schwer, eine Motortemperaturabhängigkeit zu erklären (bei limitiertem Jetronic know how)
Ich würde es wahrscheinlich dennoch mal prüfen, weil es einfach ist und die Menge an Ideen limitiert.
Deutlich zu viel Menge würde sich ergeben wenn das Signal vom Luftmengenmesser malade ist.
Der berühmte Drosselklappenschalter tut ?
Grüsse; Willy
ja; Du hast recht. Er wäre dann wohl stets (auch warm) zu fett.
Ich tue mich bei mehreren der Ansätze schwer, eine Motortemperaturabhängigkeit zu erklären (bei limitiertem Jetronic know how)
Ich würde es wahrscheinlich dennoch mal prüfen, weil es einfach ist und die Menge an Ideen limitiert.
Deutlich zu viel Menge würde sich ergeben wenn das Signal vom Luftmengenmesser malade ist.
Der berühmte Drosselklappenschalter tut ?
Grüsse; Willy
Re: unrunder unruhiger Warmlauf M30B35 L-Jetronic
Der Drosselklappenschalter klickt auf jeden Fall sofort, wenn die DK bewegt wird. Die Messung schaue ich mir morgen an.
Re: unrunder unruhiger Warmlauf M30B35 L-Jetronic
hier meine "Arbeit" heute - Schritt für Schritt ;)
Wassertemperaturfühler --> Stecker ab: 4,2 kOhm (passt zu den 8°C draußen)
hatte ich ja schon mal gemessen
mit Fön das Thermostatgehäuse angepustet --> Fühler reagiert vollkommen plausibel gemäß https://jetronic.org/de/d-jetronic/fehlersuche
Kabelbaum vom Stecker (PIN 13 & 49) zum Steuergerätestecker (PIN 5 & 13) getestet
--> beide haben sauberen Durchgang
Lufttemperaturfühler im Luftmassenmessergehäuse
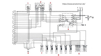
Kabelbaum vom Stecker (PIN 27, 7, 8, 9, 6, 36, 39) zum Steuergerätestecker (PIN 27, 7, 8, 9, 6, 20, 10) getestet
--> alle haben sauberen Durchgang!
Messungen am LMM in kOhm (kalt & mit Fön lauwarm angepustet) PIN zu PIN:
27zu7 -> 3,8 & 2,6 und --> reagiert auf Klappenbewegung
27zu8 -> 4,1 & 2,9
27zu9 -> 4,3 & 3,2
27zu6 -> 3,7 & 2,6
7zu8 -> 0,29 & 0,29 und --> reagiert auf Klappenbewegung
7zu9 -> 0,49 & 0,49 und --> reagiert auf Klappenbewegung
7zu6 -> 0,09 & 0,09 und --> reagiert auf Klappenbewegung
8zu9 -> 0,20 & 0,20
8zu6 -> 0,36 & 0,36
9zu6 -> 0,56 & 0,56
36zu39 ist ein Schalter, der sofort bei leichter Klappenbewegung aktiv geschaltet wird und dann sauberen Durchgang "piepst".
gemäß https://jetronic.org/de/d-jetronic/fehlersuche käme 9zu6 und 7zu9 in Frage und dann erst 8zu6 (bei aktuell ca. 8°C draußen). Aber diese PIN Kombinationen reagieren nicht auf Temperatur!
Die PIN Kombinationen, die auf Klappenbewegung reagieren, steigen im Widerstand an bis ca. 50% Auslenkwinkel und fallen dann wieder ab bis ca. Startniveau bei 100% Klappenbewegung.
Wassertemperaturfühler --> Stecker ab: 4,2 kOhm (passt zu den 8°C draußen)
hatte ich ja schon mal gemessen
mit Fön das Thermostatgehäuse angepustet --> Fühler reagiert vollkommen plausibel gemäß https://jetronic.org/de/d-jetronic/fehlersuche
Kabelbaum vom Stecker (PIN 13 & 49) zum Steuergerätestecker (PIN 5 & 13) getestet
--> beide haben sauberen Durchgang
Lufttemperaturfühler im Luftmassenmessergehäuse
Kabelbaum vom Stecker (PIN 27, 7, 8, 9, 6, 36, 39) zum Steuergerätestecker (PIN 27, 7, 8, 9, 6, 20, 10) getestet
--> alle haben sauberen Durchgang!
Messungen am LMM in kOhm (kalt & mit Fön lauwarm angepustet) PIN zu PIN:
27zu7 -> 3,8 & 2,6 und --> reagiert auf Klappenbewegung
27zu8 -> 4,1 & 2,9
27zu9 -> 4,3 & 3,2
27zu6 -> 3,7 & 2,6
7zu8 -> 0,29 & 0,29 und --> reagiert auf Klappenbewegung
7zu9 -> 0,49 & 0,49 und --> reagiert auf Klappenbewegung
7zu6 -> 0,09 & 0,09 und --> reagiert auf Klappenbewegung
8zu9 -> 0,20 & 0,20
8zu6 -> 0,36 & 0,36
9zu6 -> 0,56 & 0,56
36zu39 ist ein Schalter, der sofort bei leichter Klappenbewegung aktiv geschaltet wird und dann sauberen Durchgang "piepst".
gemäß https://jetronic.org/de/d-jetronic/fehlersuche käme 9zu6 und 7zu9 in Frage und dann erst 8zu6 (bei aktuell ca. 8°C draußen). Aber diese PIN Kombinationen reagieren nicht auf Temperatur!
Die PIN Kombinationen, die auf Klappenbewegung reagieren, steigen im Widerstand an bis ca. 50% Auslenkwinkel und fallen dann wieder ab bis ca. Startniveau bei 100% Klappenbewegung.
Zuletzt geändert von Christof am Mi 18. Okt 2023, 22:14, insgesamt 2-mal geändert.
Re: unrunder unruhiger Warmlauf M30B35 L-Jetronic
Nachtrag: leider ist im BOSCH-Heft im Schaltplan der NTC Widerstand des LMM nicht eindeutig gekennzeichnet.
Er sollte aber der zwischen den PINs 27zu6 sein, darauf deuten meine Messungen und auch ein präziseres Schaltbild vom Senatorman hin.
https://www.senatorman.de/
Allerdings haben meine gemessenen Widerstandswerte dann nichts mehr mit den Widerstandswerten von der D-Jetronic zu tun...
...oder genau hier ist der Fehler:
Lufttemp.-Fühler defekt --> viel zu hoher Widerstand (> 3k Ohm statt ca. 450 Ohm) --> SG sprudelt fröhlich Sprit rein
Er sollte aber der zwischen den PINs 27zu6 sein, darauf deuten meine Messungen und auch ein präziseres Schaltbild vom Senatorman hin.
https://www.senatorman.de/
Allerdings haben meine gemessenen Widerstandswerte dann nichts mehr mit den Widerstandswerten von der D-Jetronic zu tun...
...oder genau hier ist der Fehler:
Lufttemp.-Fühler defekt --> viel zu hoher Widerstand (> 3k Ohm statt ca. 450 Ohm) --> SG sprudelt fröhlich Sprit rein
Re: unrunder unruhiger Warmlauf M30B35 L-Jetronic
Lufttemperaturfühler hat die identischen Widerstände drin bei L-Jetronic wie Wassertemperfühler
https://forum.6ercoupe.de/index.php?id=170740
(D-Jetronic arbeitet hier mit unterschiedlichen Widerständen und Widerstandskurven)
--> mein Lufttemperaturfühler ist auch i.O.!
https://forum.6ercoupe.de/index.php?id=170740
(D-Jetronic arbeitet hier mit unterschiedlichen Widerständen und Widerstandskurven)
--> mein Lufttemperaturfühler ist auch i.O.!
Re: unrunder unruhiger Warmlauf M30B35 L-Jetronic
Hallo Christof,
da hast Du Dir ja eine Menge Arbeit gemacht....
Ich habe das glaube ich so grob verstanden was Du gemacht hast.
Ich selbst bin bei den Messungen eher so unterwegs "was sieht das SG an den SG-Pins"; sei aber nun hier mal dahin gestellt.
Habe verstanden, dass sich bisher keine Spur ergeben hat.
Was mich etwas irritiert ist der Widerstandsverlauf des LMM.
Nehme ich das aus dem Bosch-Heft auch hier als zutreffend, dann müsste die Schleiferspannung (Pin7) mit zunehmendem Öffnungswinkel (bis Vollast und nicht darüber) gemäß Diagramm sinken. Zwar nichtlinear aber stetig.
Dann müsste die Schleiferspannung im Leerlauf nahe der Versorgungsspannung am Poti sein.
Stimmt die Überlegung und wie sieht die Realität aus ??
Hast Du ein WHB für den Motor ?
Grüsse; Willy
da hast Du Dir ja eine Menge Arbeit gemacht....
Ich habe das glaube ich so grob verstanden was Du gemacht hast.
Ich selbst bin bei den Messungen eher so unterwegs "was sieht das SG an den SG-Pins"; sei aber nun hier mal dahin gestellt.
Habe verstanden, dass sich bisher keine Spur ergeben hat.
Was mich etwas irritiert ist der Widerstandsverlauf des LMM.
Nehme ich das aus dem Bosch-Heft auch hier als zutreffend, dann müsste die Schleiferspannung (Pin7) mit zunehmendem Öffnungswinkel (bis Vollast und nicht darüber) gemäß Diagramm sinken. Zwar nichtlinear aber stetig.
Dann müsste die Schleiferspannung im Leerlauf nahe der Versorgungsspannung am Poti sein.
Stimmt die Überlegung und wie sieht die Realität aus ??
Hast Du ein WHB für den Motor ?
Grüsse; Willy
Re: unrunder unruhiger Warmlauf M30B35 L-Jetronic
wie machst Du das am SG?
Aufmachen und innen messen, wenn der Stecker gesteckt bleibt?
WHB für den M30B35, leider nein :(
"nur" sowas
Aufmachen und innen messen, wenn der Stecker gesteckt bleibt?
WHB für den M30B35, leider nein :(
"nur" sowas
Re: unrunder unruhiger Warmlauf M30B35 L-Jetronic
Hallo Christof,
a) messen ohmisch: ich ziehe den Stecker vom SG ab und messe dann in den Stecker rein
messen der Spannung: Mit dünnem Draht oder Messspitze in den Steckkontakt kabelseitig reinfummeln
b) das passende WHB für den Motor wäre schon gut.
Ich habe gerade beim E9 WHB mit LMM geschaut/Übertragbarkeit ???
- der Zusatzluftschieber muß bei kaltem Motor ganz aufgesteuert sein (>> wäre einfacher Test)
- Die Schleiferspannung am LMM soll in Ruhestellung 7..8V betragen.
- Wenn Du ein Oszi zur Hand hast würde ich mal Einspritzzeiten messen.
Wenn ich das für den E9 aus der Tabelle richtig interpretiere:
- Einspritzdauer warm ca 5ms
- Start ca 10ms
- Warmlaufanreicherung 5-6ms
Grüsse; Willy
a) messen ohmisch: ich ziehe den Stecker vom SG ab und messe dann in den Stecker rein
messen der Spannung: Mit dünnem Draht oder Messspitze in den Steckkontakt kabelseitig reinfummeln
b) das passende WHB für den Motor wäre schon gut.
Ich habe gerade beim E9 WHB mit LMM geschaut/Übertragbarkeit ???
- der Zusatzluftschieber muß bei kaltem Motor ganz aufgesteuert sein (>> wäre einfacher Test)
- Die Schleiferspannung am LMM soll in Ruhestellung 7..8V betragen.
- Wenn Du ein Oszi zur Hand hast würde ich mal Einspritzzeiten messen.
Wenn ich das für den E9 aus der Tabelle richtig interpretiere:
- Einspritzdauer warm ca 5ms
- Start ca 10ms
- Warmlaufanreicherung 5-6ms
Grüsse; Willy
Re: unrunder unruhiger Warmlauf M30B35 L-Jetronic
Danke Willy!
Ok, das dachte ich mir, dass Du nicht IM SG misst, sondern am SG-Stecker ;)
Da der Kabelbaum auch in Frage kam/kommt, messe ich zwischen SG-Stecker und Stecker zum Bauteil.
Da ich die nun fast alle Stecker zum Bauteil durch habe, wiederhole ich die Messungen dann zusammengesteckt.
Drosselklappenschalter funktioniert einwandfrei - das habe ich habe ich schon zusammengebaut via SG-Stecker ermittelt.
ggf. kann ich am WE über ein Oszi verfügen und die Einspritzdüsen entsprechend messen
Die 7-8 Volt am LMM Poti stimmen auch für den M30B35, ist mir im 6er Forum bestätigt worden
Zusatzluftschieber schaue ich mir natürlich auch noch komplett an (Tiefkühlfach/Umgebung/Fön).
Ok, das dachte ich mir, dass Du nicht IM SG misst, sondern am SG-Stecker ;)
Da der Kabelbaum auch in Frage kam/kommt, messe ich zwischen SG-Stecker und Stecker zum Bauteil.
Da ich die nun fast alle Stecker zum Bauteil durch habe, wiederhole ich die Messungen dann zusammengesteckt.
Drosselklappenschalter funktioniert einwandfrei - das habe ich habe ich schon zusammengebaut via SG-Stecker ermittelt.
ggf. kann ich am WE über ein Oszi verfügen und die Einspritzdüsen entsprechend messen
Die 7-8 Volt am LMM Poti stimmen auch für den M30B35, ist mir im 6er Forum bestätigt worden
Zusatzluftschieber schaue ich mir natürlich auch noch komplett an (Tiefkühlfach/Umgebung/Fön).
Re: unrunder unruhiger Warmlauf M30B35 L-Jetronic
ich muss ja immer weiter denken...
...mal absurd
...mal einfach
hier mal was Einfaches:
- Motor startet immer, Motor läuft warm immer tadellos!
--> Annahme: alle Stecker, Kabel und Bauteile haben keinen Fehler.
Es ist einfach nur der CO-Wert im Leerlauf falsch eingestellt!? --> zu fett, bzw. genau an der Grenze zum viel zu fett!
--> Einstellschraube im LMM ist zu tief oder an der Schraube haben sich zu viel Ablagerungen angesammelt, die den Querschnitt verringern.
These:
- wenn warm, dann läuft er bspw. mit Lambda 0,8-0,9 im Leerlauf
- wenn kalt, dann packt er durch Warmlaufanreicherung so viel drauf, dass es eben gerade zu viel ist (teilweise kleiner 0,7) und das zündet nun mal nicht durchgehend :(
und so schüttelt er sich stark und dann weniger werdend (gemäß geringer werdender Warmlaufanreicherung), bis er warm ist. Dafür spräche auch, dass er nach Kaltstart bei erhöhten Drehzahlen 2000-3000 U/min schon besser läuft (was man natürlich nicht gerne macht: kalt höher drehen)
...mal absurd
...mal einfach
hier mal was Einfaches:
- Motor startet immer, Motor läuft warm immer tadellos!
--> Annahme: alle Stecker, Kabel und Bauteile haben keinen Fehler.
Es ist einfach nur der CO-Wert im Leerlauf falsch eingestellt!? --> zu fett, bzw. genau an der Grenze zum viel zu fett!
--> Einstellschraube im LMM ist zu tief oder an der Schraube haben sich zu viel Ablagerungen angesammelt, die den Querschnitt verringern.
These:
- wenn warm, dann läuft er bspw. mit Lambda 0,8-0,9 im Leerlauf
- wenn kalt, dann packt er durch Warmlaufanreicherung so viel drauf, dass es eben gerade zu viel ist (teilweise kleiner 0,7) und das zündet nun mal nicht durchgehend :(
und so schüttelt er sich stark und dann weniger werdend (gemäß geringer werdender Warmlaufanreicherung), bis er warm ist. Dafür spräche auch, dass er nach Kaltstart bei erhöhten Drehzahlen 2000-3000 U/min schon besser läuft (was man natürlich nicht gerne macht: kalt höher drehen)
Re: unrunder unruhiger Warmlauf M30B35 L-Jetronic
aaaaalso:
mein Kabelbaum ist i.O.
meine LMM ist i.O.
meine Temp.-fühler sind i.O.
ich habe neu: Zündkerzen, Zündkabel, Verteilerkappe und Finger
das ist alles erfreulich :)
----
habe jetzt eine bessere Messuhr in die Kraftstoffleitung eingebaut, also vor 2, 3 Wochen.
Motorstart erstmal ohne Zündung - der Kraftstoffdruck steht bei ca. 2,4-2,5 bar.
Dann ordentlich gestartet - der Kraftstoffdruck steht bei ca. 2,4-2,5 bar.
Auf Drehzahländerung reagiert der Druck etwas, tendenziell nimmt er kurz 0,1-0,2 bar ab.
Im Leerlauf geht er auf keinen Fall runter in Richtung 2,0 bar.
Im Gegenteil, sah immer wieder so aus: Leerlauf 2,5 bar und höhere Drehzahl 2,4 bar
Motor hat gewohnt schlechtes Warmlaufverhalten.
---
Habe den Billigdruckregler nochmal eingebaut (mit dem ich meine Arbeiten vor 2, 3 Wochen begonnen hatte) und den Druck jetzt nur von der neuen Messuhr abgelesen.
- Regler komplett auf --> Druck so ca. 1,2 - 1,5 bar.
- Motor läuft (schonmal besser als mit 2,5 bar).
- Druck im Leerlauf auf 2,5 bar hoch - schlimm
- Druck auf 2,0 bar - extrem verbesserter Motorlauf, so hab ich ihn dann auch warmlaufen lassen
Aber: wenn ich Drehzahl erhöhe fällt der Druck genau wie beim originalen Regler ab, um ca. 0,2 bar. Ich habe jetzt Leerlauf 2,2 bar und einhergehend 2,0 bar mit erhöhter Drehzahl eingestellt. Bin gespannt wie er morgen nach Kaltstart warmläuft.
Fazit: wie ganz zu Beginn gedacht --> Kraftstoffdruckproblem. (Nur damals zu schlecht getestet und zu ungeduldig gewesen.)
mein Kabelbaum ist i.O.
meine LMM ist i.O.
meine Temp.-fühler sind i.O.
ich habe neu: Zündkerzen, Zündkabel, Verteilerkappe und Finger
das ist alles erfreulich :)
----
habe jetzt eine bessere Messuhr in die Kraftstoffleitung eingebaut, also vor 2, 3 Wochen.
Motorstart erstmal ohne Zündung - der Kraftstoffdruck steht bei ca. 2,4-2,5 bar.
Dann ordentlich gestartet - der Kraftstoffdruck steht bei ca. 2,4-2,5 bar.
Auf Drehzahländerung reagiert der Druck etwas, tendenziell nimmt er kurz 0,1-0,2 bar ab.
Im Leerlauf geht er auf keinen Fall runter in Richtung 2,0 bar.
Im Gegenteil, sah immer wieder so aus: Leerlauf 2,5 bar und höhere Drehzahl 2,4 bar
Motor hat gewohnt schlechtes Warmlaufverhalten.
---
Habe den Billigdruckregler nochmal eingebaut (mit dem ich meine Arbeiten vor 2, 3 Wochen begonnen hatte) und den Druck jetzt nur von der neuen Messuhr abgelesen.
- Regler komplett auf --> Druck so ca. 1,2 - 1,5 bar.
- Motor läuft (schonmal besser als mit 2,5 bar).
- Druck im Leerlauf auf 2,5 bar hoch - schlimm
- Druck auf 2,0 bar - extrem verbesserter Motorlauf, so hab ich ihn dann auch warmlaufen lassen
Aber: wenn ich Drehzahl erhöhe fällt der Druck genau wie beim originalen Regler ab, um ca. 0,2 bar. Ich habe jetzt Leerlauf 2,2 bar und einhergehend 2,0 bar mit erhöhter Drehzahl eingestellt. Bin gespannt wie er morgen nach Kaltstart warmläuft.
Fazit: wie ganz zu Beginn gedacht --> Kraftstoffdruckproblem. (Nur damals zu schlecht getestet und zu ungeduldig gewesen.)
Zuletzt geändert von Christof am Sa 21. Okt 2023, 16:46, insgesamt 2-mal geändert.
Re: unrunder unruhiger Warmlauf M30B35 L-Jetronic
nochmal zum Abschluss:
habe den originalen Kraftstoffdruckregler wieder eingebaut, da der Billigdruckregler keine langfristige Lösung sein kann, der war nur zum Probieren (bei Kraftstoffpumpenstopp fällt der Druck auch recht zügig zusammen (was beim originalen Druckregler gar nicht passiert) ein Teil des Druckabbaus geschieht sogar nach oben in die Unterdruckkammer, da nach Ausbau hier auch etwas Sprit rauslief
originalen Kraftstoffdruckregler --> Warmlauf gewohnt katastrophal
mit warmgefahrenen Motor dann im Leerlauf ~900 U/min noch ordentlich den Kraftstoffdruckregler geprüft:
- mit Unterdruckschlauch ca. 2,35 bar
- ohne Unterdruckschlauch ca. 2,75 bar
Unterm Strich ist dann alles klar --> zu hoher Kraftstoffdruck immer
- der dann im normalen Warmzustand immer für leicht zu fetten Betrieb sorgt, was nicht sooo schlimm ist.
- der beim Kaltstartventil für die 8s entsprechend mehr einsprüht, was auch noch nicht sooo schlimm ist
- und vor allem die Warmlaufanreichung offenbar extrem überfährt, die ja ziemlich lange mitspielt
ich werde einen ordentlichen 2,5 bar Druckregler suchen, der auch in Richtung 2,0 bar im Leerlauf abfällt (oder anders herum gedacht, im Leerlauf 2,0 bar und deutlicher Anstieg in Richtung 2,5 bar wenn der Unterdruckschlauch abgezogen wird.)
Weiß noch jemand eine geheime Quelle für die originalen BOSCH Kraftstoffdruckregler? :-D
habe den originalen Kraftstoffdruckregler wieder eingebaut, da der Billigdruckregler keine langfristige Lösung sein kann, der war nur zum Probieren (bei Kraftstoffpumpenstopp fällt der Druck auch recht zügig zusammen (was beim originalen Druckregler gar nicht passiert) ein Teil des Druckabbaus geschieht sogar nach oben in die Unterdruckkammer, da nach Ausbau hier auch etwas Sprit rauslief
originalen Kraftstoffdruckregler --> Warmlauf gewohnt katastrophal
mit warmgefahrenen Motor dann im Leerlauf ~900 U/min noch ordentlich den Kraftstoffdruckregler geprüft:
- mit Unterdruckschlauch ca. 2,35 bar
- ohne Unterdruckschlauch ca. 2,75 bar
Unterm Strich ist dann alles klar --> zu hoher Kraftstoffdruck immer
- der dann im normalen Warmzustand immer für leicht zu fetten Betrieb sorgt, was nicht sooo schlimm ist.
- der beim Kaltstartventil für die 8s entsprechend mehr einsprüht, was auch noch nicht sooo schlimm ist
- und vor allem die Warmlaufanreichung offenbar extrem überfährt, die ja ziemlich lange mitspielt
ich werde einen ordentlichen 2,5 bar Druckregler suchen, der auch in Richtung 2,0 bar im Leerlauf abfällt (oder anders herum gedacht, im Leerlauf 2,0 bar und deutlicher Anstieg in Richtung 2,5 bar wenn der Unterdruckschlauch abgezogen wird.)
Weiß noch jemand eine geheime Quelle für die originalen BOSCH Kraftstoffdruckregler? :-D
-
Gast
Re: unrunder unruhiger Warmlauf M30B35 L-Jetronic
Moin, tolle Ausführung, vielen Dank für die Mühe!
ich habe einen 76er 3,0 Si (E3) mit L Jetronic der seit Herbst exakt das selbe Problem hat.
Habe die ganze Zündung ersetzt (2x auch die Champion N9YC Kerzen) Kabel, Stecker, Verteilerkappe, Verteilerfinger von A-Z, ohne jede Abhilfe....
Den Kabelbaum durchgemessen.
Das Steuergerät gegen zwei andere Geräte aus meinem Altbestand getauscht.
Den Wassergesteuerten Zusatzluftschieber erneuern lassen...
Habe mir nun durch Deine großartige Fehlersuche viel weitere Arbeit ersparen können. (Wollte schon alle Einspritzdüsen neu kaufen)
Den orig Bosch Benziondruck-Regler 0280160206 (BMW 275594357573) gibt es hier:
https://www.ebay.at/itm/275594357573
oder hier:
https://www.wallothnesch.com/druckregle ... 17-13.html
Wenn man basteln möchte könnte man auch den vom Fiat Spider L-Jetronic Einspritzmotor benutzen, müsste dann aber ein T Stück nachdrücklich montieren oder den Regler an den Rand der Ringleitung versetzen da dieser nur einen Abgang hat.
https://www.ebay.de/itm/235023738612?_t ... p_homepage
Viele Grüße
Dirk
ich habe einen 76er 3,0 Si (E3) mit L Jetronic der seit Herbst exakt das selbe Problem hat.
Habe die ganze Zündung ersetzt (2x auch die Champion N9YC Kerzen) Kabel, Stecker, Verteilerkappe, Verteilerfinger von A-Z, ohne jede Abhilfe....
Den Kabelbaum durchgemessen.
Das Steuergerät gegen zwei andere Geräte aus meinem Altbestand getauscht.
Den Wassergesteuerten Zusatzluftschieber erneuern lassen...
Habe mir nun durch Deine großartige Fehlersuche viel weitere Arbeit ersparen können. (Wollte schon alle Einspritzdüsen neu kaufen)
Den orig Bosch Benziondruck-Regler 0280160206 (BMW 275594357573) gibt es hier:
https://www.ebay.at/itm/275594357573
oder hier:
https://www.wallothnesch.com/druckregle ... 17-13.html
Wenn man basteln möchte könnte man auch den vom Fiat Spider L-Jetronic Einspritzmotor benutzen, müsste dann aber ein T Stück nachdrücklich montieren oder den Regler an den Rand der Ringleitung versetzen da dieser nur einen Abgang hat.
https://www.ebay.de/itm/235023738612?_t ... p_homepage
Viele Grüße
Dirk
-
Gast
Re: unrunder unruhiger Warmlauf M30B35 L-Jetronic
Zu klären wäre ob der optisch identische Benzindruckregler vom VW Transporter mit L Jetronic Wasserboxer auch passt von den Kenndaten,
eigentlich müssten alle L Jetronicen mit 2-2,5 Bar Reglerbereich udn 3 Bar Versorgungsdruck arbeiten....
https://www.ebay.de/itm/115716196915?_t ... p_homepage
eigentlich müssten alle L Jetronicen mit 2-2,5 Bar Reglerbereich udn 3 Bar Versorgungsdruck arbeiten....
https://www.ebay.de/itm/115716196915?_t ... p_homepage
Re: unrunder unruhiger Warmlauf M30B35 L-Jetronic
ich bin ja noch nicht am Ziel ;)
...habe einen neuen 2,5bar Druckregler (hier über das Forum), aber noch nicht eingebaut. *asche auf mein Haupt*
wenn ich baugleich einbauen will, dann kommt nur Dein dritter Link in Frage, Dirk.
Die ersten beiden haben ja einen Doppeleingang (wie bei der D-Jetronic (deren Kraftstoffdruckregler aber noch die Einstellschraube statt dem Unterdruckschlauch hat))
--> habe ich es richtig verstanden? Dein Motor läuft nach Kraftstoffdruckregler-Tausch wieder so, wie er soll?
...habe einen neuen 2,5bar Druckregler (hier über das Forum), aber noch nicht eingebaut. *asche auf mein Haupt*
wenn ich baugleich einbauen will, dann kommt nur Dein dritter Link in Frage, Dirk.
Die ersten beiden haben ja einen Doppeleingang (wie bei der D-Jetronic (deren Kraftstoffdruckregler aber noch die Einstellschraube statt dem Unterdruckschlauch hat))
--> habe ich es richtig verstanden? Dein Motor läuft nach Kraftstoffdruckregler-Tausch wieder so, wie er soll?
Re: unrunder unruhiger Warmlauf M30B35 L-Jetronic
Moin Moin
ich habe den neuen Kraftstoffdruckreger heute eingebaut.
Resultat: keine Veränderung --> miserabler Warmlauf.
ich habe den neuen Kraftstoffdruckreger heute eingebaut.
Resultat: keine Veränderung --> miserabler Warmlauf.
Re: unrunder unruhiger Warmlauf M30B35 L-Jetronic
neuer Zusatzluftschieber mit etwas weniger Öffnungsquerschnitt als der Alte eingebaut.
Keiner Veränderung des schlechten Warmlaufverhaltens.
Keiner Veränderung des schlechten Warmlaufverhaltens.
-
bavariatec
- Beiträge: 1
- Registriert: Di 31. Okt 2017, 11:04
- Wohnort: Teufenthal/AG, Schweiz
- Kontaktdaten:
Re: unrunder unruhiger Warmlauf M30B35 L-Jetronic
Hallo Christof
Gab es schlussendlich eine erfolgreiche Lösung? Wo lag der Fehler?
Gab es schlussendlich eine erfolgreiche Lösung? Wo lag der Fehler?
Re: unrunder unruhiger Warmlauf M30B35 L-Jetronic
nach langer Pause...
...habe ich die Einspritzventile ausgebaut und heute zum Düsenfuchs geschickt. Düsenklinik hat Sommerpause. Bin gespannt, was in ein paar Tagen daraus geworden ist.
Düsenfuchs https://duesenfuchs.de/ueberpruefung-un ... pritzduese
Düsenklinik https://duesenklinik.de/referenzen/schlauchventile/
...habe ich die Einspritzventile ausgebaut und heute zum Düsenfuchs geschickt. Düsenklinik hat Sommerpause. Bin gespannt, was in ein paar Tagen daraus geworden ist.
Düsenfuchs https://duesenfuchs.de/ueberpruefung-un ... pritzduese
Düsenklinik https://duesenklinik.de/referenzen/schlauchventile/
Re: unrunder unruhiger Warmlauf M30B35 L-Jetronic
Eingangsprüfung der Düsen
- Spritzbild 4x Note 4, 2x Note 3 (Schulnoten)
- Durchflussmenge bis zu 3% Abweichung (dynamisch) vom Mittelwert
- 1 Düse undicht --> tropft
nach Service
- Spritzbild 2x Note 3, 4x Note 2 (Schulnoten)
- Durchflussmenge bis zu 0,5% Abweichung (dynamisch) vom Mittelwert
- alle Düsen dicht!
Einbau erfolgt diese Woche
- Spritzbild 4x Note 4, 2x Note 3 (Schulnoten)
- Durchflussmenge bis zu 3% Abweichung (dynamisch) vom Mittelwert
- 1 Düse undicht --> tropft
nach Service
- Spritzbild 2x Note 3, 4x Note 2 (Schulnoten)
- Durchflussmenge bis zu 0,5% Abweichung (dynamisch) vom Mittelwert
- alle Düsen dicht!
Einbau erfolgt diese Woche
-
3.5CSi_Clubsport
- Beiträge: 62
- Registriert: Di 6. Mai 2025, 17:25
Re: unrunder unruhiger Warmlauf M30B35 L-Jetronic
Ich drücke dir die Daumen, dass die Düsen ordentlich überholt wurden und dicht sind!
An meinem - völlig anderen - M54B30 hab ich das bei einer Firma auch so machen lassen und trotz Prüfprotokollen und optimierter Zylinderzuordnung etc. waren gleich bei Installation zwei Düsen undicht und die Situation damit schlimmer als zuvor.
Würde mich also sehr interessieren, wenn es bei diesem Anbieter gut funktioniert.
Herzliche Grüße, Daniel
An meinem - völlig anderen - M54B30 hab ich das bei einer Firma auch so machen lassen und trotz Prüfprotokollen und optimierter Zylinderzuordnung etc. waren gleich bei Installation zwei Düsen undicht und die Situation damit schlimmer als zuvor.
Würde mich also sehr interessieren, wenn es bei diesem Anbieter gut funktioniert.
Herzliche Grüße, Daniel
Re: unrunder unruhiger Warmlauf M30B35 L-Jetronic
Welcher Anbieter war das bei Dir?
Werde ich mir auf alle Fälle anschauen --> Arbeits-Kraftstoff-Druck auf Rail und Einspritzventile bevor ich alles zusammenbaue.
Prüf-Kraftstoff-Druck beim Service 3,0 bar
Arbeits-Kraftstoff-Druck bei der L-Jetronic 2,5 bar
Ich habe Hoffnung!
Werde ich mir auf alle Fälle anschauen --> Arbeits-Kraftstoff-Druck auf Rail und Einspritzventile bevor ich alles zusammenbaue.
Prüf-Kraftstoff-Druck beim Service 3,0 bar
Arbeits-Kraftstoff-Druck bei der L-Jetronic 2,5 bar
Ich habe Hoffnung!
Re: unrunder unruhiger Warmlauf M30B35 L-Jetronic
Einbau erfolgte heute
0,0 Verbesserung
katastrophaler Warmlauf
0,0 Verbesserung
katastrophaler Warmlauf
-
3.5CSi_Clubsport
- Beiträge: 62
- Registriert: Di 6. Mai 2025, 17:25
Re: unrunder unruhiger Warmlauf M30B35 L-Jetronic
Oh Mann, wie schade... Die ESV sind aber auch wirklich dicht jetzt?
Du hast ja schon soviel geprüft, hätte dir gewünscht, dass du das Problem jetzt behoben hast.
Ich bin kein Fan der Jetronic, weder D noch L, daher bin ich immer noch extrem glücklich, dass ich die Motronic habe :-)
Da du schon so viel geprüft hast - kann es evtl doch ein elektronisches Bauteil des Steuergeräts sein?
Beim Kabelbaum messen gibt es ja auch unterschiedliche Vorgehensweisen, hast du unter Last und etwas Bewegung gemessen? Vermutlich weißt du das natürlich.
Drücke die Daumen, dass du das Problem doch noch lösen kannst!
Du hast ja schon soviel geprüft, hätte dir gewünscht, dass du das Problem jetzt behoben hast.
Ich bin kein Fan der Jetronic, weder D noch L, daher bin ich immer noch extrem glücklich, dass ich die Motronic habe :-)
Da du schon so viel geprüft hast - kann es evtl doch ein elektronisches Bauteil des Steuergeräts sein?
Beim Kabelbaum messen gibt es ja auch unterschiedliche Vorgehensweisen, hast du unter Last und etwas Bewegung gemessen? Vermutlich weißt du das natürlich.
Drücke die Daumen, dass du das Problem doch noch lösen kannst!
Re: unrunder unruhiger Warmlauf M30B35 L-Jetronic
Ja, die sind dicht.
Im warmen Fahrbetrieb läuft der Motor jetzt auch noch etwas besser, die Gasanhame nach Leerlauf ist weicher/besser geworden.
Ich bin jetzt nochmals am Zusatzluftschieber (0 280 140 124) dran. Ich muss davon ausgehen, dass meiner zu wenig Luft durchlässt, wenn er "kalt" ist, also das Öffnungsfenster zu klein ist. Vielleicht ist es der hier beschriebene Fehler https://www.carpassion.com/forum/thema/ ... instellen/ dass die Anschlag-Nase der Verstellscheibe abgebrochen ist. (Ich hatte diese Tage nochmals den ZLS komplett gebrückt. Motorstart, sauber rauf auf ca. 2000 U/min, sauber gehalten. Daher gehe ich nun nochmals vom ZLS aus, den ich offenbar mit zu wenig Geduld beim ersten Mal betrachtet und getestet habe.)
Hat jemand ein Bild, wie der Öffnungsquerschnitt beim ZLS 0 280 140 124 im kalten Zustand aussehen muss?
Im warmen Fahrbetrieb läuft der Motor jetzt auch noch etwas besser, die Gasanhame nach Leerlauf ist weicher/besser geworden.
Ich bin jetzt nochmals am Zusatzluftschieber (0 280 140 124) dran. Ich muss davon ausgehen, dass meiner zu wenig Luft durchlässt, wenn er "kalt" ist, also das Öffnungsfenster zu klein ist. Vielleicht ist es der hier beschriebene Fehler https://www.carpassion.com/forum/thema/ ... instellen/ dass die Anschlag-Nase der Verstellscheibe abgebrochen ist. (Ich hatte diese Tage nochmals den ZLS komplett gebrückt. Motorstart, sauber rauf auf ca. 2000 U/min, sauber gehalten. Daher gehe ich nun nochmals vom ZLS aus, den ich offenbar mit zu wenig Geduld beim ersten Mal betrachtet und getestet habe.)
Hat jemand ein Bild, wie der Öffnungsquerschnitt beim ZLS 0 280 140 124 im kalten Zustand aussehen muss?
Re: unrunder unruhiger Warmlauf M30B35 L-Jetronic
Ich hoffe, ich kann heute meinen Abschlusspost schreiben! Zuerst einmal vielen Dank an das viele Mitlesen, Eure Einschätzungen und Hilfestellungen.
Motor M30B35LE mit L-Jetronik (keine Motronik!), 218 PS, 2,5 bar Kraftstoffdruckregler
Ich habe ja nun nochmals im Grunde den Fehlerbaum durchgearbeitet. Von der Logik her schaut man sich den ZLS an, das Kaltstartventil und den zugehörigen Thermozeitschalter, den Temperaturfühler (Motorwasser) und den Temperaturfühler (Ansaugluft im LMM). Falschluft ab Drosselklappe, und ja der Kraftstoffdruck sollte unbedingt stimmen.
Kraftstoffdruck
(Falschluftprüfung absolviert, alle Unterdruckschläuche (auch zum Bremskraftverstärker) sind i.O.)
Motor betriebswarm gefahren, sauberer Leerlauf, Kraftstoffdruck 1,90/2,0 bar, Unterdruckschlauch ab --> 2,4/2,5 bar
Kraftstoffdruck i.O.
...der Motor läuft betriebswarm mit ca. 3,0 vol% CO im Leerlauf
ZLS
Ich habe einen "neuen" unbenutzten 124er bekommen können. Hier die Öffnungsquerschnitte mit den ungefähren Temperaturen dazu. (Dass mein alter 124er und der neue 124er quasiidentische Öffnungsquerschnitte haben, nahm mir schon einige Motivation...)
Ich habe aus Testzwecken den 152er so modifiziert, dass er im betriebswarmen Zustand gerade noch schließt und im kalten deutlich mehr Luft durchlässt als der 124er.
Eingebaut --> keine wahrnehmbare Verbesserung
Mein 124er ZLS ist offenbar i.O., da es offenbar kein ZLS-Thema ist.
Kaltstartventil
Stecker ab, Kraftstoffverbindung ab
keine Verbesserung
(Kaltstartventil tropft auch nicht, wenn Kraftstoff angeschlossen ist)
Kaltstartventil i.O.
Temperaturfühler (Motorwasser)
bei ca.: -20, +5, +25 und +50°C gemessen, alles plausibel z.B. 2000 Ohm bei 25°C
da aber der Wert bei jedem Messpunkt zappelig war und leicht anstieg (z.B. ca. 15 Ohm bei 25°C) und mein neuer Temperaturfühler komplett stabile Werte anzeigt, habe ich diesen eingebaut.
Temperaturfühler (Motorwasser) i.O.
Stecker Temperaturfühler (Motorwasser) und Stecker Thermozeitschalter nicht vertauscht, i.O.
Widerstand vom Temperaturfühler am Steuergerätestecker nochmals gemessen.
Dabei auch nochmals die PINs und Werte, die zum LMM gehen, gemessen.
LMM & Temperaturfühler (Ansaugluft im LMM) i.O.
Einspritzventile
überholen lassen,
Einspritzmenge bestmöglich gleich, Einspritzventile dicht
Einspritzventile i.O.
Sonstige Überprüfungen oder Erneuerungen:
Drosselkappenschalter durchgemessen, i.O.
Zündkabel, Zündkerzen, Zündkappe, Verteilerfinger neu
Was fehlt?
Korrekt! Das Steuergerät :-(
Also habe ich ein anderes 0 280 001 114 beschafft...
eingebaut...
gestartet...
und dann --> der Motor macht das, was er soll! Springt an, hat erhöhten, stabilen Leerlauf, läuft warm, Drehzahl fällt nach und nach, es riecht nach normalen unkatalysiertem Abgas und nicht nach einem Sprit-Festival!
Es war also das Steuergerät (?)!. Ob dieses das Eingangssignal vom Temperaturfühler (Motorwasser) nicht mehr richtig verarbeitet, oder ob die im Steuergerät "richtig errechnete" Warmlaufanreicherung nicht mehr richtig an die Endstufen und Einspritzventile ausgegeben wird, oder was auch immer --> das bleibt erstmal ein Rätsel...
...bin gespannt, ob sich dieser Erfolg auch bei Motorstart mit 10 oder 5°C Außentemperatur reproduzieren lässt! Werde berichten...
Zwischenzeitlich bin ich bei den ganzen Tests auch mal wieder ne Runde mit betriebswarmen Motor gefahren, damit ich die Freude am Fahren mit diesem Klasse-Motor in diesem wunderschönen E9 nicht
Motor M30B35LE mit L-Jetronik (keine Motronik!), 218 PS, 2,5 bar Kraftstoffdruckregler
Ich habe ja nun nochmals im Grunde den Fehlerbaum durchgearbeitet. Von der Logik her schaut man sich den ZLS an, das Kaltstartventil und den zugehörigen Thermozeitschalter, den Temperaturfühler (Motorwasser) und den Temperaturfühler (Ansaugluft im LMM). Falschluft ab Drosselklappe, und ja der Kraftstoffdruck sollte unbedingt stimmen.
Kraftstoffdruck
(Falschluftprüfung absolviert, alle Unterdruckschläuche (auch zum Bremskraftverstärker) sind i.O.)
Motor betriebswarm gefahren, sauberer Leerlauf, Kraftstoffdruck 1,90/2,0 bar, Unterdruckschlauch ab --> 2,4/2,5 bar
Kraftstoffdruck i.O.
...der Motor läuft betriebswarm mit ca. 3,0 vol% CO im Leerlauf
ZLS
Ich habe einen "neuen" unbenutzten 124er bekommen können. Hier die Öffnungsquerschnitte mit den ungefähren Temperaturen dazu. (Dass mein alter 124er und der neue 124er quasiidentische Öffnungsquerschnitte haben, nahm mir schon einige Motivation...)
Ich habe aus Testzwecken den 152er so modifiziert, dass er im betriebswarmen Zustand gerade noch schließt und im kalten deutlich mehr Luft durchlässt als der 124er.
Eingebaut --> keine wahrnehmbare Verbesserung
Mein 124er ZLS ist offenbar i.O., da es offenbar kein ZLS-Thema ist.
Kaltstartventil
Stecker ab, Kraftstoffverbindung ab
keine Verbesserung
(Kaltstartventil tropft auch nicht, wenn Kraftstoff angeschlossen ist)
Kaltstartventil i.O.
Temperaturfühler (Motorwasser)
bei ca.: -20, +5, +25 und +50°C gemessen, alles plausibel z.B. 2000 Ohm bei 25°C
da aber der Wert bei jedem Messpunkt zappelig war und leicht anstieg (z.B. ca. 15 Ohm bei 25°C) und mein neuer Temperaturfühler komplett stabile Werte anzeigt, habe ich diesen eingebaut.
Temperaturfühler (Motorwasser) i.O.
Stecker Temperaturfühler (Motorwasser) und Stecker Thermozeitschalter nicht vertauscht, i.O.
Widerstand vom Temperaturfühler am Steuergerätestecker nochmals gemessen.
Dabei auch nochmals die PINs und Werte, die zum LMM gehen, gemessen.
LMM & Temperaturfühler (Ansaugluft im LMM) i.O.
Einspritzventile
überholen lassen,
Einspritzmenge bestmöglich gleich, Einspritzventile dicht
Einspritzventile i.O.
Sonstige Überprüfungen oder Erneuerungen:
Drosselkappenschalter durchgemessen, i.O.
Zündkabel, Zündkerzen, Zündkappe, Verteilerfinger neu
Was fehlt?
Korrekt! Das Steuergerät :-(
Also habe ich ein anderes 0 280 001 114 beschafft...
eingebaut...
gestartet...
und dann --> der Motor macht das, was er soll! Springt an, hat erhöhten, stabilen Leerlauf, läuft warm, Drehzahl fällt nach und nach, es riecht nach normalen unkatalysiertem Abgas und nicht nach einem Sprit-Festival!
Es war also das Steuergerät (?)!. Ob dieses das Eingangssignal vom Temperaturfühler (Motorwasser) nicht mehr richtig verarbeitet, oder ob die im Steuergerät "richtig errechnete" Warmlaufanreicherung nicht mehr richtig an die Endstufen und Einspritzventile ausgegeben wird, oder was auch immer --> das bleibt erstmal ein Rätsel...
...bin gespannt, ob sich dieser Erfolg auch bei Motorstart mit 10 oder 5°C Außentemperatur reproduzieren lässt! Werde berichten...
Zwischenzeitlich bin ich bei den ganzen Tests auch mal wieder ne Runde mit betriebswarmen Motor gefahren, damit ich die Freude am Fahren mit diesem Klasse-Motor in diesem wunderschönen E9 nicht
-
3.5CSi_Clubsport
- Beiträge: 62
- Registriert: Di 6. Mai 2025, 17:25
Re: unrunder unruhiger Warmlauf M30B35 L-Jetronic
Ok - dann lag ich mit meinem Tipp ja vielleicht nicht so falsch. Bei der MS43 beim M54 hätte ich relativ früh auch mal die Mosfets von den Zündspulen und ESVs getestet, aber bei den alten D-Jet / L-Jet Steuergeräten würde ich bzgl Bauteilen im Dunkeln tappen :-)