Kabel Einspritzung CSi und Fühler - Unklarheiten

Benutzeravatar
Michael aus Köln
Beiträge: 109
Registriert: So 19. Jul 2020, 10:03

Kabel Einspritzung CSi und Fühler - Unklarheiten

Beitrag von Michael aus Köln »

Hallo

Beim Köpfen des Motors muss ich ja den Kabelbaum der Einspritzung zerlegen.
Dabei ist mir ein Stecker wohl abgerutscht, und ich weiß nicht wo er hin gehört.
Er kommt in Höhe des dritten Zylinders aus dem Kabelbaum und geht durch eine Gummitülle an die linke Motorseite. Dort teilt sich das Kabel in zwei Leitungen.
Eine davon geht auf den Zusatzluftschieber. Die zweite Leitung ist mein Problem:
In der Zeichnung ist das Kabel ganz oben und mit X gekennzeichnet.
die Z Kabel sind die Einspritzdüsen. Der Rest ist bezeichnet:

Bild

und:
wohin geht das Kabel des Temperatursensors für die Anzeige im Kombiinstrument? Der Fühler sitzt an der Schottwandseite ganz in der Ecke auf der Zylinderkopfhaube. (erstes Bild)

Ich habe ein Kabel in Verdacht: Vor dem Druckfühler kommen drei Kabel, die über eine „Transparente“ Klammer gehalten sind. Original so?? Wenn ich links an dem Wagen stehe, geht es um das ganz rechte Kabel. Es kommt ein Doppelkabel und eine Masseleitung raus?? Wofür ist diese Leitung?
(möglicherweise Anlasser, vielleicht halt Temp. Fühler, vielleicht irgendwas mit dem Hauptrelais, vielleicht …?)
(zweites Bild)

Michael

Bild


Bild
Benutzeravatar
Gerhard
Beiträge: 1655
Registriert: Fr 7. Feb 2014, 13:21

Re: Kabel Einspritzung CSi und Fühler - Unklarheiten

Beitrag von Gerhard »

Hallo Michael

Der Zusatzluftschieber ist nicht elektrisch. Von daher ist die Antwort, dass die beiden Kabel am Thermozeitschalter und Wassertemperaturfühler eingesteckt werden.

Der CSi hat zwei unterschiedliche Kabelbäume, je nach Baujahr. Welches Baujahr hat dein CSi, und da du ja vermutlich einen anderen Motor verbaut hast wie ist denn deine Motornummer?

Gruß Gerhard
Benutzeravatar
Michael aus Köln
Beiträge: 109
Registriert: So 19. Jul 2020, 10:03

Re: Kabel Einspritzung CSi und Fühler - Unklarheiten

Beitrag von Michael aus Köln »

Hallo

ok. Das ist dann die Lösung für den Einspritzkabelbaum.

Baujahr 75
Motonummer folgt...

noch eine Idee zu dem anderen Kabelproblem?

Michael
Benutzeravatar
Michael aus Köln
Beiträge: 109
Registriert: So 19. Jul 2020, 10:03

Re: Kabel Einspritzung CSi und Fühler - Unklarheiten

Beitrag von Michael aus Köln »

kann keiner diese drei Kabel,oder zumindest das unterste zuordnen?

danke
Michael
Bild
Benutzeravatar
Gerhard
Beiträge: 1655
Registriert: Fr 7. Feb 2014, 13:21

Re: Kabel Einspritzung CSi und Fühler - Unklarheiten

Beitrag von Gerhard »

Hallo Michael

Ich kann dir gerne einen Motorkabelbaum Schaltplan vom CSi schicken. Aber bei deinen Ersatzkabeln und den roten und blauen Baumarktklemmen die sich schon sichtbar vom Kabelbaum lösen, da bin ich raus........ Ein sehr guter Freund sagt in diesen Fällen immer "Das ist vergebene Liebesmühe" Da schließe ich mich in diesem Fall komplett an:-)

Gruß Gerhard
Benutzeravatar
TomHom
Beiträge: 454
Registriert: Sa 30. Aug 2014, 22:26
Wohnort: Everswinkel

Kabel Einspritzung CSi und Fühler - Unklarheiten

Beitrag von TomHom »

Hallo Michael,
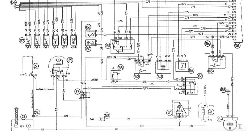
Dein letztes Bild zeigt den Kabelbaum (meines Erachtens ab Modell 1974) mit dem durchsichtigem 3er-Steckverteiler Position 37 (die Kabel sind allerdings hier nicht gesteckt sondern fest gecrimpt).
Auszug Schaltplan Einspritzung ab Bj 74.JPG
Ich hatte im Oktober letzten Jahres dieses Foto gemacht, ich weiß aber nicht mehr zu welchem Thema. Ich denke dies ist ein Originalzustand.
Verteilerklemme.jpg
Unten siehst Du links aus dem Kabelbaum kommend zwei schwarze Adern, eine kommt vom Zündanlaßschalter 70 und die andere geht zum Anlasser 29. Auf der anderen Seite siehst Du die Adern 18 und 44 weggehen, einmal zum Steuergerät 151 und zum Kraftstoffrelais 168.
Da hattest Du ja letztes Jahr schon dolle Probleme mit, wir erinnern uns!
An der mittleren Verteilerklemme kommt zwar eine Ader an, aber es geht nichts weg. Im Stromlaufplan ist hier auch nichts angeschlossen. Wenn jemand mehr weiß würde es mich interessieren.
Am oberen Verteiler sind links drei Adern aufgelegt, eine geht (über Punkt 24) zur Zündspule, eine kommt vom Zündanlaßschalter 70 und eine geht dann über die Sicherungsdose 41 ans Kraftstoffpumpenrelais. Von der anderen Seite geht die Ader 41 zum Hauptrelais 162.
Dies aus meiner Sicht, ohne Gewähr!

Der Steckverteiler und der Kabelbaum werden mit diesen Bügeln fixiert, wenn sie dann noch am Montagestutzen für den BKV vorhanden sind!
Montageplatte Drucksensor.jpg
Gruß

Thomas
Zuletzt geändert von TomHom am Di 28. Mär 2023, 12:56, insgesamt 1-mal geändert.
Benutzeravatar
Michael aus Köln
Beiträge: 109
Registriert: So 19. Jul 2020, 10:03

Re: Kabel Einspritzung CSi und Fühler - Unklarheiten - Klarheiten

Beitrag von Michael aus Köln »

Morjen

Thomas: das hilft wirklich weiter. Danke für Bilder, Plan und Erklärungen...
hab mich schon immer gefragt, wer die 37 im Plan sein soll. Dass das diese Klemme ist, ist eine ganz gute Erklärung....


"Aber bei deinen Ersatzkabeln und den roten und blauen Baumarktklemmen die sich schon sichtbar vom Kabelbaum lösen, da bin ich raus...."

keine Panik.

1. soll das ja besser werden. Dazu muss ich aber halt wissen, wie es original ist.

2. ich mußte z.B die Verbindung ZAS zum Hauptrelais ja erneuern, weil da damals mein Problem war. Das habe ich ganz bewußt mit einem roten Kabel gemacht, damit man klar erkennt, dass hier eine nicht originale Lösung drin ist, und entsprechend aufmerksam wird. Kabel ist auch entsprechend mit Fähnchen benannt und gekennzeichnet....

im Übrigen kann ich ja nix dafür, dass Vorbesitzer da nicht alles optimal gelöst haben. Allerings muss ich gestehen, dass ich die Elektrik bereits werksseitig nicht gerade toll gelöst finde. Die Positionierung der Relais im Motorraum und dann noch an diesen Stellen ist sicher keine optimale Lösung. Und Kabelbäume die aus 24 weißen Kabeln bestehen (Steuergerät) sind sicher auch nicht der Weisheit letzter Schluss....



Um das an ein paar Problemstellen besser zu machen suche ich ja auch:
die Stecker für die Relais:

Bild

gesucht sind zwei Stecker mit der Belegung wie unten eingezeichnet. Der oben abgebildete Stecker hat eine andere Belegung (vor allem der Kontakt in der Mitte ist falsch rum...)

Michael
Antworten