Kaltstartverhalten + Leerlauf CSi

the_schick
Beiträge: 29
Registriert: Fr 8. Okt 2021, 17:05

Kaltstartverhalten + Leerlauf CSi

Beitrag von the_schick »

Liebes Forum,

nachdem meine CSi aus 73 nun soweit eingestellt ist und gut läuft habe ich immer noch Probleme beim Kaltstartverhalten. Folgende Dinge sind in Ordnung und/oder neu:

- Zündung eingestellt
- Zündgeschirr neu
- Zusatzluftschieber überholt (durch Anbieter aus Oberösterreich welcher das professionell macht, Name vergessen). Zusatzluftschieber ist voll offen bei Start.
- Kaltstartrelais schaltet und steuert Zusatzeinspritzventil an welches auch einspritzt (Einspritzventil durch Ultraschall gereinigt)
- Zeitschaltsensor am Gehäuse Nähe Zusatzluftschieber erneuert und funktioniert
- Ansaugtrakt wurde auf Falschluft getestet

Auto braucht ca. 8-10 Sekunden bis er startet, läuft dann wie ein Sack Nüsse für 30 Sekunden (geht fast aus, unregelmäßige Drehzahl) bis sich danach ein normaler Leerlauf von 800 Umdrehungen einpendelt. Wenn man ihn dann wieder abdreht und startet läuft er sofort sauber. Es sind tatsächlich nur die ersten 30 Sekunden ganz schlecht. Danach ist alles ganz normal auch bei Teillast/Volllast.

Ideen von eurer Seite?

Danke!!

Alexander
Zuletzt geändert von the_schick am Mo 22. Mai 2023, 10:51, insgesamt 1-mal geändert.
e3tom
Beiträge: 39
Registriert: Di 16. Feb 2021, 21:59

Re: Kaltstartverhalten CSi

Beitrag von e3tom »

N'Abend ...

Ich vermisse in der Aufzählung der Massnahmen die Prüfung des Gebisses im Verteiler. Vielleicht ist da Fett o.ä. verharzt und es braucht einfach eine Weile, bis sich das wieder lockergerüttelt hat.

Nur so ein Gedanke.

Gruss
Tom
the_schick
Beiträge: 29
Registriert: Fr 8. Okt 2021, 17:05

Re: Kaltstartverhalten CSi

Beitrag von the_schick »

Guten Abend,

Fett im Verteiler ist auch gecheckt. Ich habe nun eine interessante Entdeckung zwecks Benzindruck gemacht. Im Leerlauf liegt der Benzindruck bei konstant ca. 2,0 bar. Allerdings wenn ich nur die Zündung andrehe höre ich die Benzimpumpe laufen, aber der Benzindruck wird nicht aufgebaut (Manometer zuckt nur kurz und fällt dann wieder auf 0). Erst bei Start wird ca. nach 3 Sekunden orgeln der Benzindruck aufgebaut und dann startet der Motor. Wenn ich die Rücklaufleitung nun verschließe wird der Druck gehalten. Daher mutmaße ich, dass mein Benzindruckregler kaputt ist? Diesen gibt es leider nicht mehr bei BMW...

Das Problem ist ähnlich wie in diesem Thread https://jetronic.org/de/forum/jetronic/ ... stoffdruck

Nun habe ich einen sehr versierten E9 Schrauber gefragt und er meinte bei mir ist es korrekt, was allerdings dem obigen Thread wiedersprechen würde. Nun meine Frage: sollte der Benzindruck bei Zündung ein schon bei 2,0 bar anliegen?

Danke und Grüße!

Alexander
Benutzeravatar
TomHom
Beiträge: 454
Registriert: Sa 30. Aug 2014, 22:26
Wohnort: Everswinkel

Kaltstartverhalten CSi

Beitrag von TomHom »

Moin Alexander,

Deine Benzinpumpe hörst Du nach dem Einschalten der Zündung kurz laufen. Das Manometer zuckt, sehr wahrscheinlich wurde kurz Benzin gefördert aber der Regler lässt das Benzin wieder zurück in den Tank fließen. Prüfe erstmal den Regler, am besten im ausgebauten Zustand. Dies kannst Du auch mit Druckluft machen indem Du an die verschlossene Ausgangsseite ein Manometer anschließt und an der Eingangsseite anstelle des Schlauches der von der Benzinpumpe kommt ein Reifendruckmessgerät anschließt. Erhöhe nun langsam den Luftdruck. Wenn der Regler nicht arbeitet würde nun die Luft direkt aus der Rücklaufleitung ausströmen. Arbeitet der Regler richtig so sollte ausgangsseitig der angestrebte Druck sich einstellen, am Rücklauf der überschüssige Druck entweichen.
Wird kein zusätzlicher Druck eingangsseitig zugeführt so sollte sich der eingestellte Druck halten.
Wie in dem zitierten Thread beschrieben würde sich im Normalfall der Druck über das Rückschlagventil der Benzinpumpe halten.

Es kommt vor dass das Ventil des Reglers nach längerer Standzeit festsitzt. Du kannst in diesem Falle versuchen über die Einstellschraube den Mechanismus mehrmals hin und her zu bewegen, vorher mit Ballistol fluten. Drehst Du danach die Schraube zu sollte der Druck nicht mehr über die Rücklaufleitung entweichen können.
Danach gilt es den Solldruck einzustellen indem die Einstellschraube langsam wieder rausgedreht wird bis der gewünschter Druck ausgangsseitig ansteht. Aber in den meisten Fällen wird die Membran defekt sein, dann ist ein Regler fällig.
Prüfe auch noch den Druck Deiner Benzinpumpe (ohne Regler). Über die Benzinpumpen gibt es an andere Stelle Beiträge.

Eine Beschreibung der D-Jet und L-Jet Benzineinspritzung findest Du u.a. hier https://e9coupe.com/tech/dljet/dljet.pdf und natürlich unter dem von Dir schon angegebenen Link https://jetronic.org/de/d-jetronic


Frohes Schaffen und viel Erfolg

Thomas
the_schick
Beiträge: 29
Registriert: Fr 8. Okt 2021, 17:05

Re: Kaltstartverhalten + Leerlauf CSi

Beitrag von the_schick »

Hallo,

danke - tatsächlich war der Druckregler kaputt und ich konnte ein geprüfte Gebrauchtteil welches den Druck hält erstehen und einbauen. Leider hat sich am Startverhalten nichts verändert - er läuft immer noch bescheiden in den ersten 20 Sekunden. Des Weiteren bin ich dieses Wochenende ca. 300 km gefahren und mir ist aufgefallen, dass der Leerlauf hin und wieder mal schwankt. Zb stehe ich in der Stadt an der Ampel und Leerlauf ist bei ca. 900 Umdrehungen, nach paar Minuten Fahrt bei der nächsten Ampel ist der Leerlauf bei nur noch 700 Umdrehungen bzw. manchmal auch bei 1.300 Umdrehungen. Einmal bin ich lange im Stau gestanden sodass Motor recht warm wurde, er hat kaum noch Leerlauf gehalten. Dabei ist der Leerlauf aber konstant niedrig/normal/hoch, daher kein sägen zu erkennen. Laufbetrieb in allen Phasen ist sonst einwandfrei. Jemand eine Idee dazu?

Leerlaufsteller klickt, CO ist richtig eingestellt.

Vielleicht hat dieser Fehler etwas mit dem Kaltstartverhalten zu tun?
Curly

Re: Kaltstartverhalten + Leerlauf CSi

Beitrag von Curly »

With engine cold, key turned to run not start- remove rear seat, remove fuel pump relay, bridge pin 30 and pin 87 and let fuel pump run for 2 minutes.

Now crank engine to start.

Is there a difference?

Bei kaltem Motor, Schlüssel auf Betrieb, nicht auf Start, Rücksitz ausbauen, Kraftstoffpumpenrelais ausbauen, Pin 30 und Pin 87 überbrücken und Kraftstoffpumpe 2 Minuten lang laufen lassen.

Jetzt den Motor durchdrehen, um ihn zu starten.

Ist da ein Unterschied?
the_schick
Beiträge: 29
Registriert: Fr 8. Okt 2021, 17:05

Re: Kaltstartverhalten + Leerlauf CSi

Beitrag von the_schick »

Hallo,

Habe nun rausgefunden, dass es wohl ein Problem mit meinem Wassertemperatursensor gibt. Dieser hatte bei aktuellen Temperaturen (rd 20 grad) nur einen Wert von 600 Ohm, sollte aber laut D Jetronic Beschreibung bei ca 2,4kohm liegen. Habe dann einen 2,2kohm widerstand angelegt und siehe da der Motor springt einwandfrei kalt an. Macht auch Sinn weil bei 600 Ohm dem Motor ja vorgegaugelt wird, dass der Motor warm ist.

Jetzt habe ich einen neuen passenden Sensor im Zubehör bestellt (original gibt es bei bmw nicht mehr) welcher aber auch nur bei aktuellen Temperaturen einen Wert von 800 Ohm liefert. Kann das stimmen oder ist mein Sensor wieder falsch?

Danke
Benutzeravatar
TomHom
Beiträge: 454
Registriert: Sa 30. Aug 2014, 22:26
Wohnort: Everswinkel

Kaltstartverhalten + Leerlauf CSi

Beitrag von TomHom »

Hallo Alexander,
schön dass Du das Problem erstmal eingrenzen konntest.
Eine Aussage ob Dein Temperaturfühler für die Motortemperatur (der mit den zwei Anschlüssen, eingebaut am Gehäuse für den Zusatzluftschieber) richtige Werte liefert kannst Du nur durch einen Vergleich mit des Messtabelle https://jetronic.org/index.php/de/autos ... ursensoren machen.
Der Sensor sollte also bei Zimmertemperatur ca. 20°C einen Widerstand von ca. 2,5kOhm,
wenn Du ihn in die pralle Sonne legst (heute) ca. 45°C einen Widerstand von ca. 1kOhm,
wenn Du ihn einige Zeit ins Eisfach gelegt hast einen Widerstand größer 5kOhm und
wenn er in kochend heißem Wasser liegt einen Widerstand von ca. 190Ohm.
Nur wenn die Widerstandskurve so passt kann der Sensor dem Steuergerät die richtigen Temperaturwerte liefern.

Stelle sicher dass der Bereich der beiden Anschlüsse am Geber sauber ist, mit Kontaktreiniger säubern.
Der Sensor ist einseitig mit dem zentralen Massepunkt des Kabelbaums für die Einspritzung verbunden. Überprüfe hier das Massepotential.

Was steht auf dem originalem und dem neuen Temperaturfühler?

Gruß

Thomas
Benutzeravatar
Gerhard
Beiträge: 1655
Registriert: Fr 7. Feb 2014, 13:21

Re: Kaltstartverhalten + Leerlauf CSi

Beitrag von Gerhard »

Hallo Alexander

Ich hab mal einige neue Wasser-Temperaturfühler bei Zimmertemperatur durchgemessen, und die haben alle zwischen 2.5 und 2.8 Kiloohm. Die gebrauchten liegen auch alle in ähnlichem Messbereich.
Wie ist denn die aufgedruckte BOSCH Nummer von deinem Neuerwerb? Auch die originalen von BMW lieferbaren hatten immer die selbe BOSCH Nummer drauf gestempelt.

Gruß Gerhard
Dateianhänge
IMG_8681.jpeg
the_schick
Beiträge: 29
Registriert: Fr 8. Okt 2021, 17:05

Re: Kaltstartverhalten + Leerlauf CSi

Beitrag von the_schick »

Servus,

Gerhard und Thomas, danke nochmal für eure Klarstellung - ich habe mich bei dem Sensor vertan und wohl den Wassersensor für die Anzeige im Innenraum (sitzt am Thermostat) gemessen. Mein Wassersensor ist (leider) doch in Ordnung und hat bei kaltem Motor ca. 2,3k Ohm.

Nun ist mir aufgefallen, dass je wärmer die Außentemperatur ist, desto besser startet er - das war wohl auch der Grund warum er jetzt gut angesprungen ist weil wir 25 Grad hatten.

Auch habe ich mal das CO am Steuergerät höher gedreht und nun startet er gefühlt besser. Also bekommt er beim Kaltstart definitiv zu wenig Sprit. Wie gesagt spritzt das Kaltstartventil aber ein und der Leerlauf ist nach 10 Sekunden astrein. Die Symptome nach dem Anstarten sind wie gesagt, dass der Leerlauf zuerst bei 1.000 Umdrehungen ist und dann nach 1 Sekunde auf fast 0 fällt (manchmal ist er auch schon ausgegangen), dann wieder auf 1.000 Umdrehungen hoch schwingt, dann wieder runter fällt und dann der Leerlauf gehalten wird. Heißt er hat dieses Phänomen ca. 2-3 Mal und dann läuft er rund. Kann dazu auch mal gerne ein Video machen?

Hat jemand noch eine Idee?
Danke euch

Alexander
Benutzeravatar
TomHom
Beiträge: 454
Registriert: Sa 30. Aug 2014, 22:26
Wohnort: Everswinkel

Kaltstartverhalten + Leerlauf CSi

Beitrag von TomHom »

Moin Alexander,
dann arbeiten wir uns weiter voran, ganz nach dem Motto von unserem alten Kumpel und der Ruhrpottgröße Jürgen von Manger:
"...und was Du nicht verstehst das musst Du Dir erklären".
Als nächstes wäre das Kaltstartventil in Kombination mit dem Thermo-Schalter und dem Kaltstart-Relais zu untersuchen.
Der Thermoschalter unterbricht die Masseleitung vom Kaltstartrelais wenn
- die Motortemperatur den (eingestanzten) Wert von z.B. 35°C erreicht hat. Dafür ist er am Zusatzluftschieber im Wasserkreislauf eingebunden.
- das Kaltstartrelais für die (eingestanzte) Zeit von z.B. 9.7s angezogen hatte. Dies geschieht über einen internen Heizfaden der sich durch Stromfluss erhitzt.
D.h., das zusätzliche Einspritzen über das Kaltstartventil geschieht nur bei kalten Motor und auch dann nur für ca. zehn Sekunden!
Bei Dir ist das Startverhalten gerade in den ersten Sekunden holprig, vielleicht gibt es hier einen Zusammenhang.
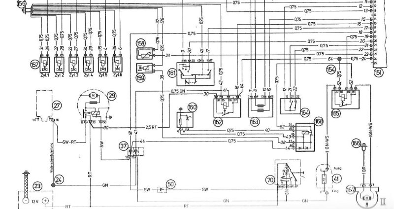
Anhand des Stromlaufplanes versuche ich mal die elektrische Funktion zu erklären.
Das Kaltstartrelais hat die Nr. 169, der Thermoschalter die Nr. 160 und das Kaltstartventil die Nr. 159.
Auszug Schaltplan Einspritzung ab Bj 74.JPG
Beim Startvorgang erhält das Kaltstartrelais über Klemme 86c Spannung, das Minuspotential des Relais ist über Klemme 85 mit der Anschluss W des Thermoschalters verbunden. Nur wenn der Kontakt des Thermoschalters noch geschlossen ist zieht das Relais an.
Über die Klemme 30 erhält das Relais dann auch Spannung von der angesteuerten Benzinpumpe, aber nur solange die Spule angezogen ist. Mit der Spannung der Benzinpumpe erhält das Kaltstartventil über Klemme 87 nun Spannung und es wird zusätzliches Benzin eingespritzt.
Der Anschluss G des Thermostartventils erhält über die beiden Dioden Spannung beim Betätigen des Anlassers und von der angesteuerten Benzinpumpe (aber auch nur solange das Relais angezogen hat). Diese anliegenden Spannungen begrenzen die Zeit in der die Verbindung zu Masse geschaltet ist und bis die Spule des Kaltstartrelais abfällt.
Überprüfe und säubere als erstes mal den Bereich des Kaltstartrelais.
Bereich Druckfühler.JPG
Hier ist es gerne feucht (Wasserablauf und Überdruckbehälter!) und schmuddelig. Am besten mal alles abbauen und alle Kontakte und Bereiche um die Kontakte säubern, Kontaktreiniger einsetzen!
Dann sehen wir weiter.

Gruß

Thomas
Benutzeravatar
Gerhard
Beiträge: 1655
Registriert: Fr 7. Feb 2014, 13:21

Re: Kaltstartverhalten + Leerlauf CSi

Beitrag von Gerhard »

Hallo

Ich hab zur Ergänzung noch die Legende mit dem kompletten Schaltplan angehängt.

Viel Erfolg
Gerhard
Dateianhänge
Bildschirmfoto 2023-06-05 um 11.00.44.png
Benutzeravatar
Gerhard
Beiträge: 1655
Registriert: Fr 7. Feb 2014, 13:21

Re: Kaltstartverhalten + Leerlauf CSi

Beitrag von Gerhard »

Und dann noch die Legende, passend zu dem Schaltplan von Thomas
Dateianhänge
Erklärung.JPG
the_schick
Beiträge: 29
Registriert: Fr 8. Okt 2021, 17:05

Re: Kaltstartverhalten + Leerlauf CSi

Beitrag von the_schick »

Servus Thomas und Gerhard,

danke für eure detaillierte Anleitung - nun ist es so, dass ich Kaltstartrelais, Thermoschalter (neu bei W&N gekauft) und Kaltstartventil anhand der Strompläne vor einigen Monaten repariert hatte und das Kaltstartventil bei Start nun auch wieder Strom bekommen hat.

So weit so gut, nun ist es aber nach nochmaliger Messung so, dass das Kaltstartventil Strom bekommt, allerdings nur für ca. 3 Sekunden (unabhängig vom Anlasser) und dann keinen mehr. Dann fängt auch der Motor an mit dem Verhalten wie beschrieben, nicht verwunderlich, es fehlt ja Sprit.

Bevor ich das alles nochmal zerlege und prüfe, gibt es einen einfachen Grund warum das Kaltstartventil nur 3 Sekunden einspritzt? Der Thermoschalter ist neu, also hier ist vermutlich kein Fehler beheimatet.

Edit: wenn der Motor wieder kalt ist werde ich mal das Kaltstartventil mit 12V beaufschlagen und dann schauen ob die Symptome weg sind.

Danke euch!

Alexander
Benutzeravatar
TomHom
Beiträge: 454
Registriert: Sa 30. Aug 2014, 22:26
Wohnort: Everswinkel

Kaltstartverhalten + Leerlauf CSi

Beitrag von TomHom »

Hallo Alexander,
ich zitiere mal Dr-DJet:
quote
Der BMW nutzt das KSV auch als Nachstartanreicherung durch das Steuergerät. Deshalb spritzt das KSV ein, solange der Thermozeitschalter schließt, auch wenn der Starter nicht mehr läuft. Deshalb ist die Schaltung ein wenig komplizierter.

Grundsätzlich ist zwischen G und W kein Strom. Der Thermozeitschalter wird über Kl.G beheizt, weswegen der nur ein Mal oder maximal zwei Mal schließt. Danach ist der auf >35°C und dann wird der nie mehr Kl. W an Masse (Gehäuse) schließen, bis er wieder abgekühlt ist. Das beachten die meisten nicht und nennen ihn deshalb dann defekt. Du solltest also am kalten Motor vor dem ersten Start messen, ob W an Masse schaltet. Und dann ist noch das Relais mit 2 eingebauten Dioden involviert. Kl. 50 aktiviert das Relais, falls Masse vom TZS Kl. W kommt und beheizt auch Kl. G. Sobald vom Pumpenrelais Strom über das Relais durchgeschaltet wird, wird auch intern das Relais über eine Diode gehalten, so dass es auch weiter dem KSV Strom gibt, auch wenn Kl. 50 keinen mehr liefert.
unquote
(https://jetronic.org/de/forum/jetronic/ ... l-funktion)

Das Kaltstartrelais zieht also an
- solange der Anlasser läuft
- oder die Benzinpumpe läuft.
Es fällt ab wenn der Thermozeitschalter den Kontakt zur Masse öffnet.

Aus meiner Sicht ist jedoch die temperaturabhängige Funktion so wie oben beschrieben ein wenig anders:

Im Thermozeitschalter ist der Kontakt zur Masse (damit das Kaltstartrelais anziehen kann) geschlossen solange
- die Wassertemperatur am Zusatzluftschieber < 35°C ist (der Thermozeitschalter sitzt ja hier im Wasserkreislauf). Ist die Motortemperatur größer 35°C ist der Kontakt immer offen, das Kaltstartrelais kann nicht mehr anziehen
und
- die definierte Zeit noch nicht abgelaufen ist. Diese Funktion ist temperaturabhängig, also z.B. bei -20°C länger als bei +20°C.
Diese Zeitfunktion wird realisiert durch Erhitzen einer Bimetall-Feder wenn über den Anschluss G Strom fließt. Diese Bimetall-Feder öffnet dann den Massekontakt, das Kaltstartrelais fällt ab.
Erst wenn das Bimetall wieder abgekühlt ist (und die Motortemperatur < 35°C ist) würde wieder eingespritzt.

Wie sieht der Anschluss Deines neuen Thermozeitschalters aus, passt da der Originalstecker des Kabelbaums drauf oder hat er andere Anschlüsse?
Stelle sicher dass die Anschlüsse G und W richtig beschaltet sind.
Welche Zeit ist auf Deinem neuen Thermozeitschalter angegeben?
Je wärmer es jetzt draußen wird desto schwieriger wird nun für Dich die Fehlersuche. Nutze Kühlkompressen und lege sie vor dem ersten Start um den Zusatzluftschieber. So gaukelst Du dem Thermozeitschalter frostige Temperaturen vor!

Sehr hilfreich ist auch diese Testanleitung https://www.senatorman.de/d-jetronic.htm

Gruß

Thomas
the_schick
Beiträge: 29
Registriert: Fr 8. Okt 2021, 17:05

Re: Kaltstartverhalten + Leerlauf CSi

Beitrag von the_schick »

Servus Thomas,

danke dir für deine Nachricht. Ich habe nun nochmal das System durchgemessen und alle Kontakte (u.A. Kaltstartrelais und Benzimpumpenrelais) gesäubert. Aktuell macht er die Symptome nicht mehr beim starten... es kann auch sein, dass es sich um ein Kontaktproblem gehandelt hat welches sich in den ersten 10 Sekunden nach Start zeigte?

Ich werde weiter berichten....

Danke jedenfalls für eure Hilfe!
Benutzeravatar
TomHom
Beiträge: 454
Registriert: Sa 30. Aug 2014, 22:26
Wohnort: Everswinkel

Kaltstartverhalten + Leerlauf CSi

Beitrag von TomHom »

Hallo Alexander,
hoffen wir mal dass es dann so bleibt!
Ich denke es waren Kontaktprobleme, der Strom durch die Spule des Kaltstartrelais reichte nicht aus um es erregt zu halten.
Oder auch Kriechströme aufgrund Feuchtigkeit gepaart mit Schmutz können beigetragen haben.
Oder der Kabelwurm der sich während Deiner Arbeiten eingeschlichen hat, wer weiß?
Hauptsache Dein CSI startet wieder wie er soll und wir haben vielleicht alle etwas dazugelernt:
"was Du nicht verstehst musst Du Dir erklären"
In dem Sinne
Guten Start morgen früh!
Thomas
Antworten